это ж сколько таблиц надо если скажем ствол изогнулся чуть туда потом сюда?
см.
http://topwar.ru/uploads/posts/2011-09/ ... 225_01.jpgа вот у меня напряжения на банках подсядет...мне теперь для каждого значения напряжения таблицы составлять, которая у меня по сути должна быть трех мерной...
и не отговаривайте,Вы, меня. я может хочу изучать всю эту тематику и умнеть
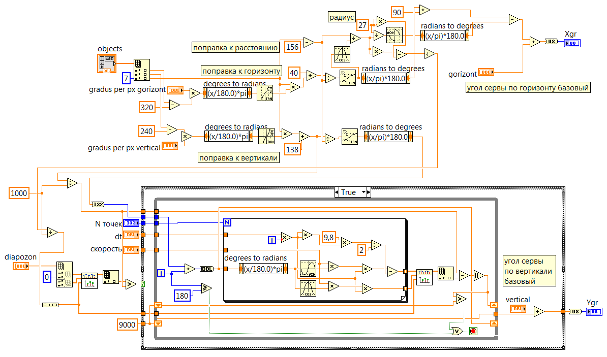
сегодня утром понял что у мну ошибка в коде. расстояние до цели берется не то.
download/file.php?id=30515&t=1бралось ОБ а надо СА. собственно в предыдущем сообщении поменял скрин кода. там добавился расчет сей величены.
я вот о чем хочу рассказать
вид сбоку. в центре координат имеем камеру. смотрит она по оси У.точка А это интересующий нас объект.
черные координаты эт значит камера "прямо", зеленый - "вниз".
показано как проецируется на ось Y точка А, в зависимости от угла поворота этой системы координат...
удивительно, но именно проекция (прилежащий катит) выдается ПО камеры xtion Pro за расстояние до точки.
или что то вроде того. я до конца так и не разобрался.
соответственно надо это дело переводить в систему координат с нормальной ориентацией . так как балисстика у нас четко привязана к ускорению свободного падения.
я пока выравнял камеры строго горизонтально. а потом заюзаю акселерометр на плате, что к камере приклеена, и буду углы мереть\ пересчитывать значения.
опять же
http://topwar.ru/uploads/posts/2011-09/ ... 225_01.jpgтут стабилизаторы поля зрения и вооружения помимо прочего занимаются вопросами учета наклонов. и только потом всякие таблицы\шмаблицы смогут заработать.
думается мне выглядит это так:
вид из ствола (прицела). черные координаты это для нормально стоящего танка, зеленый для наклоненного на правый бок.
А -цель. B - куда надо стрелять с учетом балистики.
длины прямых, проецируемых на оси соответствую углам наклона ствола по осям.
собственно понятно что учет наклона танка необходим...
какие еще таблица шмаблицы могут быть?
ЗЫ приспособление для корректировки всех констант ну или составления таблицы

что интересно угловое разрешение (гр на пиксель) для камеры расстояний и по горизонтали и по вертикали подобран как "0.1"гр. совсем не совпадает с значениями, заявленными производителем. а может я делаю что то не так.
ну а так в целом работает. насколько смог настроил. проблем с попадание в кота быть не должно.