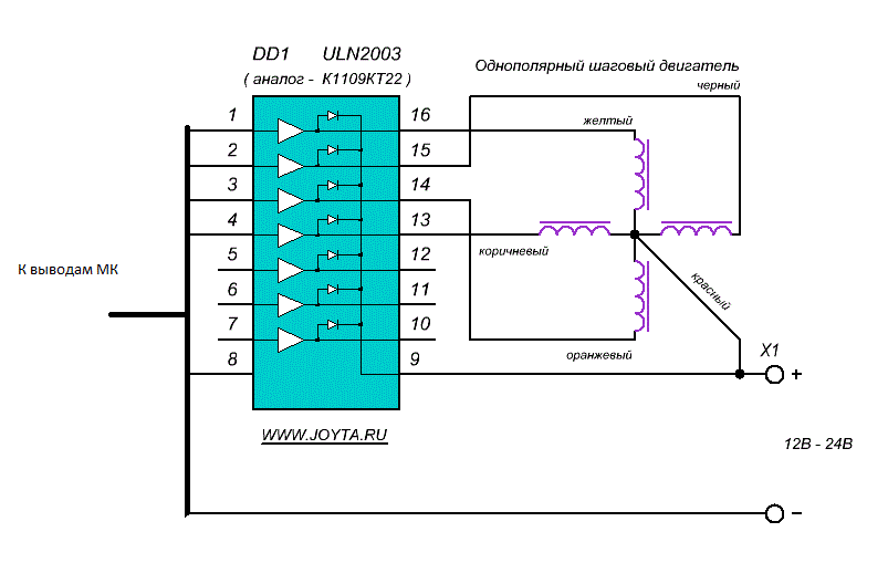
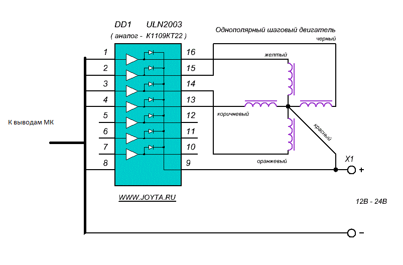
Здравствуйте... Помогите подключить шаговый двигатель к микроконтроллеру MEGA8. И определить что за шаговый двигатель . На наклейки шд написано :
MSGB048A54 01
QH4-4091
5815B.
Из шд выходит 5 проводов : коричневой, синий, белый, красный, желтый...
И написать программу для MEGA8 для управления этим шд... Заранее спасибо...
			
		
 
 




 У меня был ШД от струйника на 24В, я его запускал от 5-ти и он крутился.
 У меня был ШД от струйника на 24В, я его запускал от 5-ти и он крутился. 
 