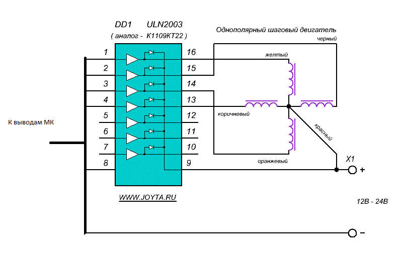
Drunya писал(а):Белый - центральный провод, идущий ко всем обмоткам на схеме. Остальные можно пока от фонаря подключить, запустить и если мотор не будет нормально крутиться, то пробовать менять разные провода местами. Я бы так сделалDemckiy писал(а):Как узнать рабочее напряжения и подскажите куда какой провод подключать в этой схеме...У меня был ШД от струйника на 24В, я его запускал от 5-ти и он крутился.
В архиве проект в PROTEUS со схемой и простенькой программкой.
Спасибо Вам!!!!
PORTC = 0b11111001;
_delay_ms(500);
PORTC = 0b11110011;
_delay_ms(500);
PORTC = 0b11110110;
_delay_ms(500);
PORTC = 0b11111100;
_delay_ms(500);
У меня остались только такие порты (PC0,PB3,PB4,PB5) а остальные уже занятые ... А вот так можно записать или можно как то по другому :
PORTC.0 = 1;
PORTB.3 = 0;
PORTB.4 = 0;
PORTB.5 = 0;
delay(5000);
PORTC.0 = 0;
PORTB.3 = 1;
PORTB.4 = 0;
PORTB.5 = 0;
delay(5000);
PORTC.0 = 0;
PORTB.3 = 0;
PORTB.4 = 1;
PORTB.5 = 0;
delay(5000);
PORTC.0 = 0;
PORTB.3 = 0;
PORTB.4 = 0;
PORTB.5 = 1;
delay(5000);

У меня был ШД от струйника на 24В, я его запускал от 5-ти и он крутился.