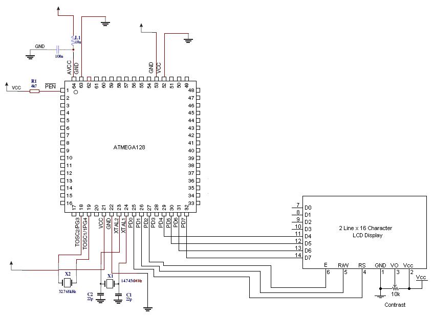
Собрал устройство на меге 128 и индикатор .Вот схема - наброски -схема и к ней исходники (ниже все) . проблема в том что при запуске контролера индикатор без признаков жизни (есть еше 2 рабочих но также все , монтаж выпролнен правильно), но ногами дергает, проверял светодиодом. Мне кажется чет нитак с частотой впечатление что работает медленно. Или че другое хз с ним мож фюзы не так стоят.... помогите рябят...
Добавлено спустя 5 минут 15 секунд:
Вот и Протеус --

)

