EdGull писал(а):а как в васике делать ты уже врубился?
Не пока не пробовал хочится ток одмин клиентом разобраться и не распылатся я остановился на CodeVisionAVR... Вот прошу помоши.. чтоб можно было ручками делать

 ![]()  | 
			
					roboforum.ruТехнический форум по робототехнике.  | 
			
				
					 | 
		
EdGull писал(а):а как в васике делать ты уже врубился?



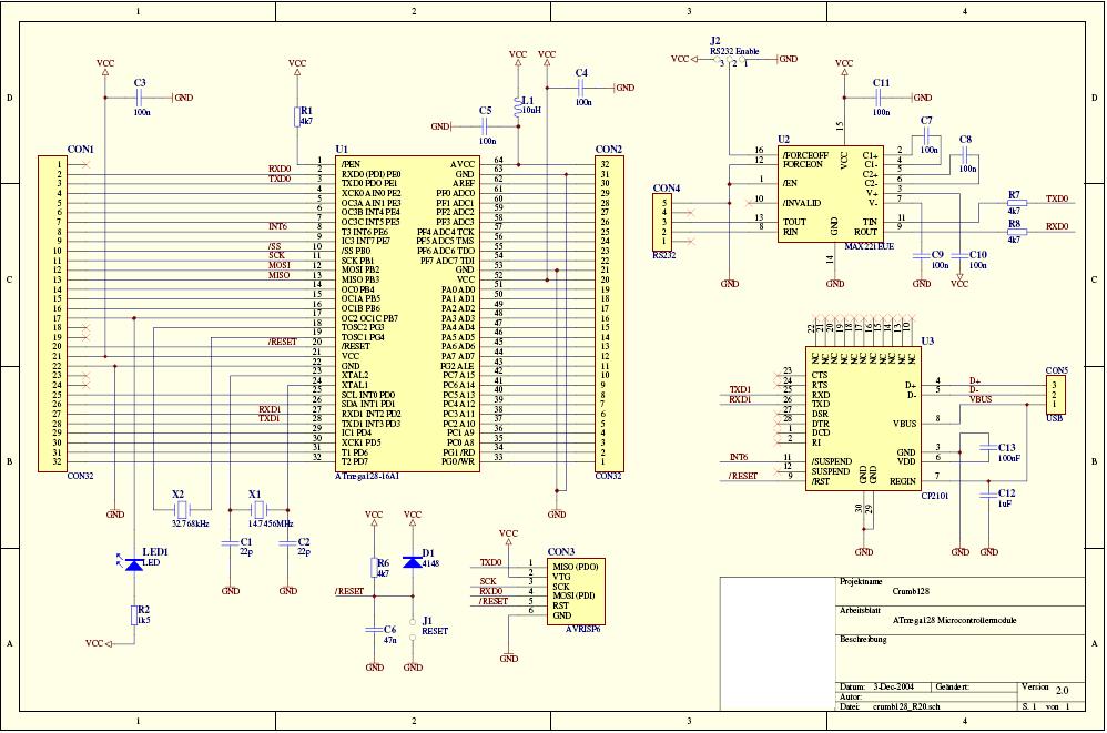
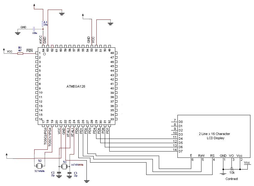
Config Lcdpin = Pin , Db4 = Portd.4 , Db5 = Portd.5 , Db6 = Portd.6 , Db7 = Portd.7 , E = Portd.2 , Rs = Portd.0
Config Lcd = 16 * 2                                         'configure lcd screen
Cls                                                         'clear the LCD display
Lcd "Hello world."      


  

  

$regfile = "m128def.dat"
$crystal = 1000000
$sim
$lib "lcd4.lbx"                                             ' use the alternative library
Config Lcdpin = Pin , Rs = Portb.0 , E = Portb.2 , Db4 = Portb.4 , Db5 = Portb.5 , Db6 = Portb.6 , Db7 = Postb.7
Config Lcd = 16 * 2
Cls
Lcd "test"
Lowerline
Lcd "12345678"
EndСейчас этот форум просматривают: нет зарегистрированных пользователей и гости: 1