Итак, перед закрытием темы:
1) Да, измерения проводил относительно земли и выходов, и между Out1-Out2, Out3-4.
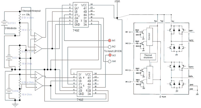
2) При попытке подпереть выход на минус 1,5 В выяснилась очень странная вещь. При определённом сочетании сигналов на фотодиоды моторчик (2 В) начинал сильно жужжать, причём как в одну, так и в другую сторону. Померил на нём напряжение, и оно оказалось больше, чем подпирающая батарейка даёт

Неужели заработал мост? Убрал подпирающую батарейку, и поставил моторчик просто между Out1-Out2. И о чудо, он крутится в обе стороны. Только как-то странно этот мост работает (интересным образом он сгорел). Закрываю один фотодиод-моторчик вправо крутится, закрываю другой - стоит на месте, а если осторожно чуть прикрыть второй, то крутится влево. Нездоровая логика получается (производители что-ли в него не те транзисторы запихали). Открываем PDF, смотрим Truth Table (Да Да Да правильно подумали) и видим, что реверс тут в отличае от 1836 работает от сигнала 1 1, а 1 0 тут значит стоп :!:
Да, наверно только новички так и шибаются.
Ну все равно, всем кто пытался помочь выражаю большое спасибо :) .
Ну и всё на етом, тема закрывается.