roboforum.ru

Технический форум по робототехнике.


Проблема с усилителем (спалил)

Все здесь

Re: Проблема с усилителем (спалил)

Сообщение Mamed » 10 сен 2010, 15:22

Плата разведена 1 в 1 как в исходной статье, только дороги чуть потолше сделал. Ну и оловом пролил от души. Провода тоже толстые весьма. Напряжение на микре не просаживается, ну буквально на полвольта может и все. Удаление емкостей на 2200 мкф по питанию 12В - улучшило дело, теперь такой баг вылазиет только на почти предельной громкости. 2й день не могу ума дать.
Аватара пользователя
Mamed
 
Сообщения: 123
Зарегистрирован: 05 ноя 2008, 18:52
Откуда: Ростов-на-Дону
прог. языки: ASM для МК

Re: Проблема с усилителем (спалил)

Сообщение SERGEY_M » 10 сен 2010, 15:34

Нашел layout50, посмотрел плату
Плата разведена не правильно!!!
В смысле, элементы соединены может и правильно (не проверял) а вот сама топология...
удалили все емкости на 2200 :shock:
жесть :crazy:
Аватара пользователя
SERGEY_M
 
Сообщения: 682
Зарегистрирован: 20 мар 2009, 12:45
Откуда: Украина, Одесса
ФИО: Сергей

Re: Проблема с усилителем (спалил)

Сообщение Mamed » 10 сен 2010, 17:09

Ну насчет "неправильно" - это понятие растяжимое. А как правильно???
Напряжение на ТЛ-ку дал вобще от отдельного источника - все равно свистит и трещит все. Хотя с ТЛки идет все прекрасно, не в ней и не в ее питании дело 100%.
Аватара пользователя
Mamed
 
Сообщения: 123
Зарегистрирован: 05 ноя 2008, 18:52
Откуда: Ростов-на-Дону
прог. языки: ASM для МК

Re: Проблема с усилителем (спалил)

Сообщение SERGEY_M » 10 сен 2010, 17:28

У ТЛки и ее обвязки должна быть "чистая" земля, а на плате элементы обвязки соединены с силовой землей где не попадя
Питание с АБ должно подаваться на входные емкости (2200 мкф), а уже с них на ключи, транс и ТЛку, типа "звездой"
Транс намотан на кольце или на "Ш"?
Если "Ш", то будет свистеть при плохой склейке
Витки транса (всех обмоток) нужно равномерно распределять по всему магнитопроводу, даже если их мало
это так, для начала :)
Аватара пользователя
SERGEY_M
 
Сообщения: 682
Зарегистрирован: 20 мар 2009, 12:45
Откуда: Украина, Одесса
ФИО: Сергей

Re: Проблема с усилителем (спалил)

Сообщение Duhas » 10 сен 2010, 18:11

а мб транс насыщается ?
«Как сердцу выразить себя? … Мысль изреченная есть ложь!»
В этом мире меня подводит доброта и порядочность...
"двое смотрят в лужу, один видит лужу, другой отраженные в ней звезды"
Аватара пользователя
Duhas
 
Сообщения: 6338
Зарегистрирован: 15 сен 2007, 13:03
Откуда: Красноярск
прог. языки: ASM(МК), C(PC)
ФИО: Гагарский Андрей Александрович

Re: Проблема с усилителем (спалил)

Сообщение Mamed » 10 сен 2010, 18:35

Транс на кольце намотан. Да и я не уверен, что свистит транс, такое ощущение, что свистят полевики или ХЗ, ерунда какаето. Насчет платы понял, буду перерисовать. Щас только транс перекручу, побробую по другому.
Аватара пользователя
Mamed
 
Сообщения: 123
Зарегистрирован: 05 ноя 2008, 18:52
Откуда: Ростов-на-Дону
прог. языки: ASM для МК

Re: Проблема с усилителем (спалил)

Сообщение SERGEY_M » 13 сен 2010, 11:02

Насыщается транс или нет, можно посмотреть на полевике (падение в открытом состоянии)
Если нет заворотов, то все норм.
Хотя, я сомневаюсь, что он насыщается только под большой нагрузкой...
Регулировки ШИМ нет, ключи тупо открыты на максимум
Если транс не правильный, то он с ключами грелся-бы и на ХХ
Фазировка обмоток правильная?
Посмотри, что творится на затворах полевиков под нагрузкой
Мож там мусор появляется :pardon:
Аватара пользователя
SERGEY_M
 
Сообщения: 682
Зарегистрирован: 20 мар 2009, 12:45
Откуда: Украина, Одесса
ФИО: Сергей

Re: Проблема с усилителем (спалил)

Сообщение Mamed » 13 сен 2010, 23:04

Фазировка обмоток 100% правильная. Транс перематывал уже 5 раз. Щас он намотан, ну просто идеально с хирургической точностью. Марка ферита 2000НМ. Провод коса из 5 проводов 0,8 на первичке и из 3-х проводов 0,8 вторичка. В китайских усях трансы намного хуже намотаны, чем мой. Мусор появляется везде!!! И в стоках и в затворах и на выходе ТЛ-ки и прямо в плюсовой шине питания причем по всей схеме, хоть на клемме АКБ осцилом смотрю :-) А транс вобще не греется - холодный.
Аватара пользователя
Mamed
 
Сообщения: 123
Зарегистрирован: 05 ноя 2008, 18:52
Откуда: Ростов-на-Дону
прог. языки: ASM для МК

Re: Проблема с усилителем (спалил)

Сообщение Mamed » 17 сен 2010, 14:20

Переразвел и переделал печатную плату и все заработало! :Yahoo!:
Вот и вся проблема. Но за подсказки всем спасибо!
Аватара пользователя
Mamed
 
Сообщения: 123
Зарегистрирован: 05 ноя 2008, 18:52
Откуда: Ростов-на-Дону
прог. языки: ASM для МК

Re: Проблема с усилителем (спалил)

Сообщение Master » 17 сен 2010, 15:55

Печаткой похвастаетесь?
Аватара пользователя
Master
 
Сообщения: 4468
Зарегистрирован: 21 дек 2006, 19:56
Откуда: Украина, г.Одесса
прог. языки: Delphi и С

Re: Проблема с усилителем (спалил)

Сообщение Mamed » 18 сен 2010, 00:02

Да, скоро выложу все это дело у себя на сайте. Готовлю пока статью.
Аватара пользователя
Mamed
 
Сообщения: 123
Зарегистрирован: 05 ноя 2008, 18:52
Откуда: Ростов-на-Дону
прог. языки: ASM для МК

Re: Проблема с усилителем (спалил)

Сообщение Mamed » 18 сен 2010, 11:44

Вот мой усилитель, там же и платы и все остальное.
http://www.electroavto.narod.ru/amp_2.html
Аватара пользователя
Mamed
 
Сообщения: 123
Зарегистрирован: 05 ноя 2008, 18:52
Откуда: Ростов-на-Дону
прог. языки: ASM для МК

Re: Проблема с усилителем (спалил)

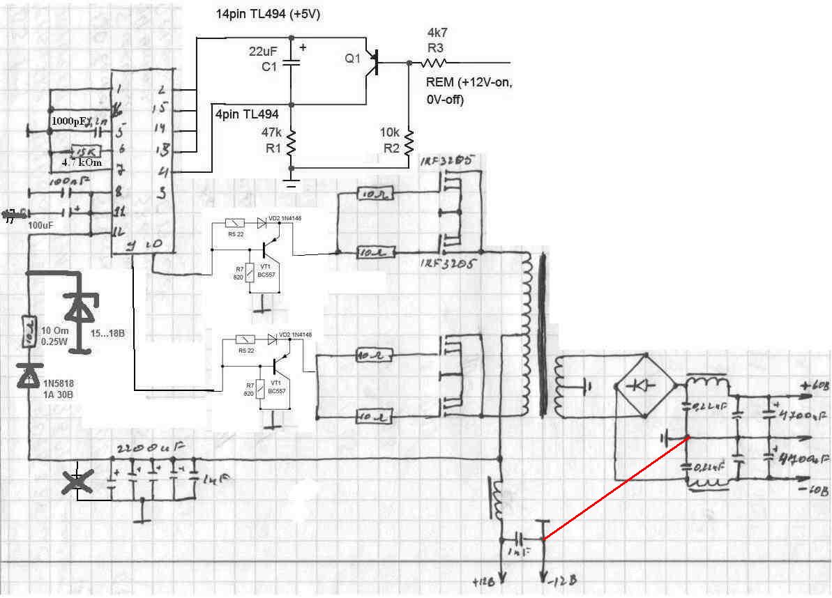
Сообщение Master » 13 окт 2010, 16:31

У меня тут дилема, что будет если я соединю эти точки на схеме? Проще говоря кину это все на корпус.
КЗ.JPG
Аватара пользователя
Master
 
Сообщения: 4468
Зарегистрирован: 21 дек 2006, 19:56
Откуда: Украина, г.Одесса
прог. языки: Delphi и С

Re: Проблема с усилителем (спалил)

Сообщение SERGEY_M » 13 окт 2010, 16:35

По идее противопоказаний пока не видно :)
эти точки всеравно соединятся сигнальным шнуром от автомагнитолы
Аватара пользователя
SERGEY_M
 
Сообщения: 682
Зарегистрирован: 20 мар 2009, 12:45
Откуда: Украина, Одесса
ФИО: Сергей

Re: Проблема с усилителем (спалил)

Сообщение Master » 14 окт 2010, 09:12

Эээээ, а причем здесь сигнальный шнур, он же вроде +12, а я хочу соединить минус акуммулятора и землю на двух полярном питании. Или это я туплю?
Аватара пользователя
Master
 
Сообщения: 4468
Зарегистрирован: 21 дек 2006, 19:56
Откуда: Украина, г.Одесса
прог. языки: Delphi и С

Пред.След.

Вернуться в Свободное общение

Кто сейчас на конференции

Сейчас этот форум просматривают: нет зарегистрированных пользователей и гости: 0

cron