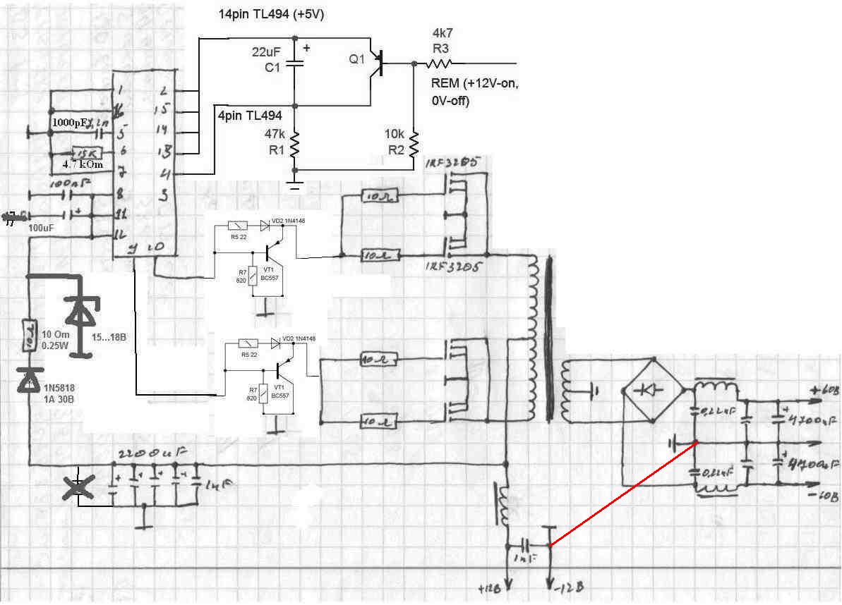
Насыщается транс или нет, можно посмотреть на полевике (падение в открытом состоянии)
Если нет заворотов, то все норм.
Хотя, я сомневаюсь, что он насыщается только под большой нагрузкой...
Регулировки ШИМ нет, ключи тупо открыты на максимум
Если транс не правильный, то он с ключами грелся-бы и на ХХ
Фазировка обмоток правильная?
Посмотри, что творится на затворах полевиков под нагрузкой
Мож там мусор появляется 
