roboforum.ru

Технический форум по робототехнике.

Проблема с усилителем (спалил)

Все здесь

Re: Проблема с усилителем (была)

Сообщение Master » 24 июн 2009, 16:56

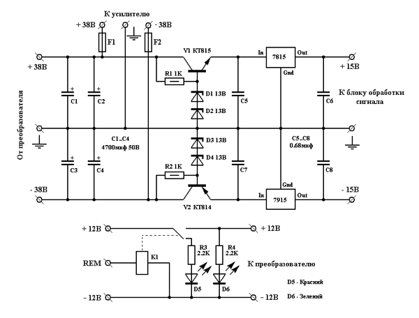
Походу для индикации вот такая схема нужна?

Изображение

Добавлено спустя 1 час 27 минут 41 секунду:
Duhas, ты на датагоре зареген?

Добавлено спустя 45 секунд:
Во здесь всмысле http://datagor.ru
Аватара пользователя
Master
 
Сообщения: 4468
Зарегистрирован: 21 дек 2006, 19:56
Откуда: Украина, г.Одесса
прог. языки: Delphi и С

Re: Проблема с усилителем (была)

Сообщение Duhas » 24 июн 2009, 18:50

не-а..
«Как сердцу выразить себя? … Мысль изреченная есть ложь!»
В этом мире меня подводит доброта и порядочность...
"двое смотрят в лужу, один видит лужу, другой отраженные в ней звезды"
Аватара пользователя
Duhas
 
Сообщения: 6338
Зарегистрирован: 15 сен 2007, 13:03
Откуда: Красноярск
прог. языки: ASM(МК), C(PC)
ФИО: Гагарский Андрей Александрович

Re: Проблема с усилителем (была)

Сообщение Master » 24 июн 2009, 23:32

Собрал блок комутации, почему-то напряжение после кренок +15 и -17, это же не нормально? Должно быть +-15

Добавлено спустя 55 минут 47 секунд:
С коллекторов транзисторов приходит на входы стабилизаторов + и - 25,7 вольта, походу 7915 бракованный.
Вложения
amp138-8.gif
Аватара пользователя
Master
 
Сообщения: 4468
Зарегистрирован: 21 дек 2006, 19:56
Откуда: Украина, г.Одесса
прог. языки: Delphi и С

Re: Проблема с усилителем (была)

Сообщение Master » 25 июн 2009, 17:50

Заменил 7915 ничего не поменялось так же -17 В

Добавлено спустя 2 минуты 24 секунды:
Может кондеры С7 или С8 ?
Аватара пользователя
Master
 
Сообщения: 4468
Зарегистрирован: 21 дек 2006, 19:56
Откуда: Украина, г.Одесса
прог. языки: Delphi и С

Re: Проблема с усилителем (была)

Сообщение Duhas » 25 июн 2009, 18:16

тебе твой 1 зачем? фильтр питать? мо транзюк + стабилитрон и резюк сделать?
«Как сердцу выразить себя? … Мысль изреченная есть ложь!»
В этом мире меня подводит доброта и порядочность...
"двое смотрят в лужу, один видит лужу, другой отраженные в ней звезды"
Аватара пользователя
Duhas
 
Сообщения: 6338
Зарегистрирован: 15 сен 2007, 13:03
Откуда: Красноярск
прог. языки: ASM(МК), C(PC)
ФИО: Гагарский Андрей Александрович

Re: Проблема с усилителем (была)

Сообщение Master » 25 июн 2009, 18:19

Ага фильтр питать, так тут походу так и сделано транзюк, два стабилитрона и резюк.
Аватара пользователя
Master
 
Сообщения: 4468
Зарегистрирован: 21 дек 2006, 19:56
Откуда: Украина, г.Одесса
прог. языки: Delphi и С

Re: Проблема с усилителем (была)

Сообщение Duhas » 25 июн 2009, 18:20

ну порпобуй ими резать полностью... мб кач-во чуток пострадает, для саба оно не так страшна..
«Как сердцу выразить себя? … Мысль изреченная есть ложь!»
В этом мире меня подводит доброта и порядочность...
"двое смотрят в лужу, один видит лужу, другой отраженные в ней звезды"
Аватара пользователя
Duhas
 
Сообщения: 6338
Зарегистрирован: 15 сен 2007, 13:03
Откуда: Красноярск
прог. языки: ASM(МК), C(PC)
ФИО: Гагарский Андрей Александрович

Re: Проблема с усилителем (была)

Сообщение Master » 25 июн 2009, 18:40

А может -25 В на вход стабилизатора это много?

Добавлено спустя 9 минут 4 секунды:
Мдя, а под нагрузкой все гуд +-15 В. :crazy:
Аватара пользователя
Master
 
Сообщения: 4468
Зарегистрирован: 21 дек 2006, 19:56
Откуда: Украина, г.Одесса
прог. языки: Delphi и С

Re: Проблема с усилителем (была)

Сообщение Duhas » 25 июн 2009, 18:58

поставь резюки в кач-ве нагрузки постоянной....
«Как сердцу выразить себя? … Мысль изреченная есть ложь!»
В этом мире меня подводит доброта и порядочность...
"двое смотрят в лужу, один видит лужу, другой отраженные в ней звезды"
Аватара пользователя
Duhas
 
Сообщения: 6338
Зарегистрирован: 15 сен 2007, 13:03
Откуда: Красноярск
прог. языки: ASM(МК), C(PC)
ФИО: Гагарский Андрей Александрович

Re: Проблема с усилителем (была)

Сообщение Master » 25 июн 2009, 22:46

И так намана, если фильтр подключить к питанию, то он и получается нагрузкой.
Короче собрал, можно всякие ручки крутить громкость, частоту среза от 35-150 Гц, если до упора закрутить там где 35 Гц, то динамик ходуном ходит, а звука не слышно только гупание, а если в другую сторону, то даже некоторые слова можно разобрать.
Еще интересный регулятор "фаза" если в одну сторону накрутить, то диффузор почти не двигается, если в другую, то аж выпрыгивает, ну от громкости это еще зависит, тока я не до конца догнал зачем этот регулятор фазы нужен.
По схеме на 5 странице этого топика, резистор R22.
Аватара пользователя
Master
 
Сообщения: 4468
Зарегистрирован: 21 дек 2006, 19:56
Откуда: Украина, г.Одесса
прог. языки: Delphi и С

Re: Проблема с усилителем (была)

Сообщение Duhas » 26 июн 2009, 08:34

эммм, вообще за счет регулятора фазы можно лучше согласовать саб с остальными компонентами, в авто при вращении ручки регулятора фазы саб виртуально перемещается по салону ).. тоесть он допустим в багажнике а накрутить можно так, чтоб звук был будто он между передних сидений лежит...

фаза не должна никак влиять на амплитуду...
«Как сердцу выразить себя? … Мысль изреченная есть ложь!»
В этом мире меня подводит доброта и порядочность...
"двое смотрят в лужу, один видит лужу, другой отраженные в ней звезды"
Аватара пользователя
Duhas
 
Сообщения: 6338
Зарегистрирован: 15 сен 2007, 13:03
Откуда: Красноярск
прог. языки: ASM(МК), C(PC)
ФИО: Гагарский Андрей Александрович

Re: Проблема с усилителем (была)

Сообщение Master » 26 июн 2009, 11:13

Ну мы тут как то считали и высчитали что длина волны саба порядка 3 метров, и что без разницы где он стоит, человек все равно не определит место его расположения (удаления), так же и наличие стереоэффекта у басов тоже отсутствует и ставить 2 динамика на бас не нужно.
Аватара пользователя
Master
 
Сообщения: 4468
Зарегистрирован: 21 дек 2006, 19:56
Откуда: Украина, г.Одесса
прог. языки: Delphi и С

Re: Проблема с усилителем (была)

Сообщение Duhas » 26 июн 2009, 14:31

не-а, ты не прав, дело не в направлении .. а в согласовании с другими излучателями... время прихода волны разное и саб выделяется... фазовращатель в авто нужен.. 100%
«Как сердцу выразить себя? … Мысль изреченная есть ложь!»
В этом мире меня подводит доброта и порядочность...
"двое смотрят в лужу, один видит лужу, другой отраженные в ней звезды"
Аватара пользователя
Duhas
 
Сообщения: 6338
Зарегистрирован: 15 сен 2007, 13:03
Откуда: Красноярск
прог. языки: ASM(МК), C(PC)
ФИО: Гагарский Андрей Александрович

Re: Проблема с усилителем (была)

Сообщение Snable » 26 июн 2009, 15:21

Ага))) Могу подтвердить) Фаза очень важна для уха человека) Если например у тебя динамики работают в противофазе - суммарная мощность излучения снизиться в разы. А в случае с сабом - действительно - человек определяет расстояние, точнее разницу расстояний от источников по разнице фаз.
И расположение, кстати, человек тоже угадает, если все будет синфазно... А вот если обмануть человека (себя), немного подстроив фазу, то можно заставить человека думать, что саб находиться не там, где на самом деле. Правда, как я уже сказал... Немного теряется громкость... Но это фигня на самом деле и можно не учитывать при расфазировке менее 5-10 градусов, а то и больше. Главное - чтобы они у тебя в противофазе не играли - тогда кроме потерь громкости еще и объем потеряешь (субъективно).
Аватара пользователя
Snable
 
Сообщения: 395
Зарегистрирован: 21 мар 2009, 20:06
Откуда: Город на Неве
прог. языки: GNU C++ with Qt / C# via .NET
ФИО: Александр

Re: Проблема с усилителем (была)

Сообщение Duhas » 26 июн 2009, 18:43

из-за большого расстояния и конструкции салона саб может даже и придется включать почти в противофазе относительно фронтов.. всякое бывает..
«Как сердцу выразить себя? … Мысль изреченная есть ложь!»
В этом мире меня подводит доброта и порядочность...
"двое смотрят в лужу, один видит лужу, другой отраженные в ней звезды"
Аватара пользователя
Duhas
 
Сообщения: 6338
Зарегистрирован: 15 сен 2007, 13:03
Откуда: Красноярск
прог. языки: ASM(МК), C(PC)
ФИО: Гагарский Андрей Александрович

Пред.След.

Вернуться в Свободное общение

Кто сейчас на конференции

Сейчас этот форум просматривают: нет зарегистрированных пользователей и гости: 0

cron