roboforum.ru

Технический форум по робототехнике.


Помогите с роботом

Раздел создан специально для людей которым интересна робототехника, но в силу разных причин они не знают с чего начать.
Задавайте ваши вопросы, какими бы простыми они не казались, постоянные посетители форума постараются ответить на них по мере своих сил.
Робот своими руками. Самодельный робот.

Re: Помогите с роботом

Сообщение Krish » 31 янв 2011, 13:38

Cобрал простой драйвер двигателей. Просто проверить если не понравится заменю.
Изображение 003[1].jpg

Программатор
Изображение 004[1].jpg

Вид снизу
Изображение 005[1].jpg

Кабель для моторов.
Изображение 006[1].jpg

Пока всё, я жду сервопривод и шарп, потом проведу тест.
у меня сейчас есть TAMIYA сдвоенный редуктор, но без датчиков он врят ли будет работать.
SkyLine на твоём роботе я видел ИК бампер с robozone.su, скажи как его подключать, что такое out и in это порты от МК ? или что ?

Добавлено спустя 5 минут 25 секунд:
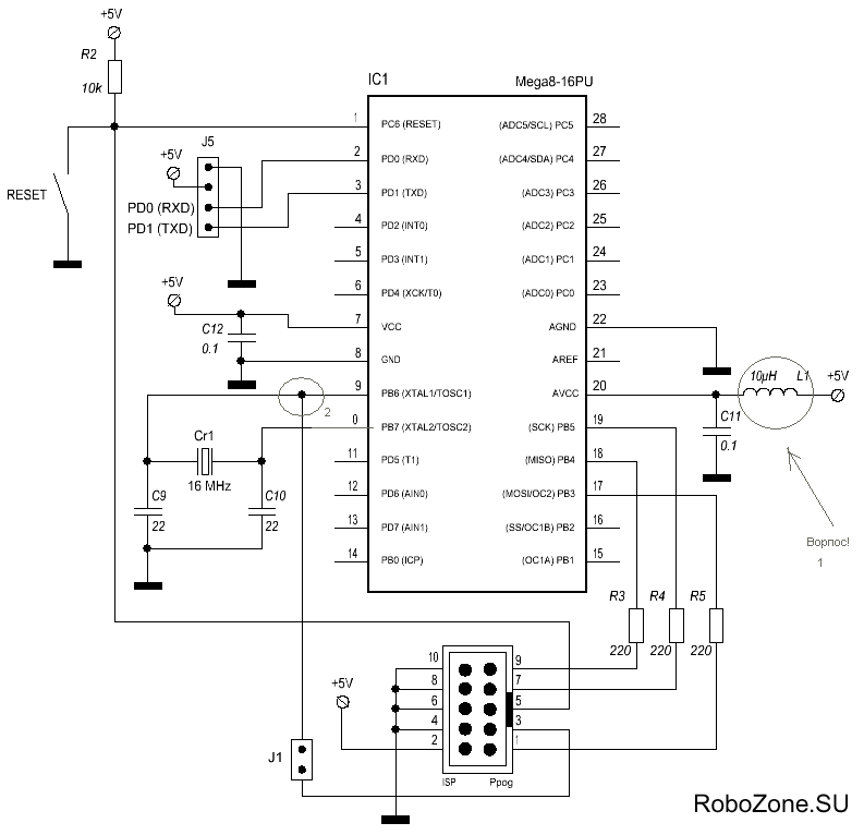
Вопрос
1204281516_mainmk.gif

1) я выделил L1 - это защитная катушка ? я её не ставил, не чего, не сгорит ли МК ? И в чём вообще это измеряется ?
2) Я выделил контакт, я его не стал на своей схеме делать, он не повлияет на работу ?
Krish
 
Сообщения: 155
Зарегистрирован: 29 дек 2010, 14:08
Откуда: Ростов-на-Дону
Skype: levanchik322
прог. языки: С++

Re: Помогите с роботом

Сообщение dccharacter » 31 янв 2011, 13:57

Друг мой, мне кажется, что не одного меня ты подзадолбал. Пройди по ссылке и сделай выводы:
http://lmgtfy.com/?q=%D0%B2+%D1%87%D0%B5%D0%BC+%D0%B8%D0%B7%D0%BC%D0%B5%D1%80%D1%8F%D1%8E%D1%82%D1%81%D1%8F+%D0%BA%D0%B0%D1%82%D1%83%D1%88%D0%BA%D0%B8
Мой волшебник это я сам. Всю архитектуру программы придумал лично, а ребята помогли воплотить её. Я бы и сам мог написать, но лень учить язык и его конструкции.
Аватара пользователя
dccharacter
 
Сообщения: 4995
Зарегистрирован: 10 дек 2010, 13:16
Откуда: Красногорск МО
прог. языки: C, Python, wiring/processing
ФИО: Андрей

Re: Помогите с роботом

Сообщение Krish » 31 янв 2011, 14:18

dccharacter писал(а):Друг мой, мне кажется, что не одного меня ты подзадолбал. Пройди по ссылке и сделай выводы:
http://lmgtfy.com/?q=%D0%B2+%D1%87%D0%B5%D0%BC+%D0%B8%D0%B7%D0%BC%D0%B5%D1%80%D1%8F%D1%8E%D1%82%D1%81%D1%8F+%D0%BA%D0%B0%D1%82%D1%83%D1%88%D0%BA%D0%B8

Слышь "братан" если ты умный такой то скажи L1 это защитная катушка ?
Krish
 
Сообщения: 155
Зарегистрирован: 29 дек 2010, 14:08
Откуда: Ростов-на-Дону
Skype: levanchik322
прог. языки: С++

Re: Помогите с роботом

Сообщение boez » 31 янв 2011, 14:29

"бритоголовая" лексика нежелательна даже с людьми, которым от тебя что-то нужно. С теми же, от кого что-то нужно тебе, стоит общаться еще вежливее, ибо можно ж получить в ответ "тамбовский волк тебе братан" :)

Это катушка LC-фильтра, образованного ей и конденсатором с11. Предотвращает проникновение помех от силовой части схемы в питание МК.
boez
 
Сообщения: 1981
Зарегистрирован: 27 авг 2008, 10:45
Откуда: Харьков
прог. языки: С/С++

Re: Помогите с роботом

Сообщение dccharacter » 31 янв 2011, 15:06

Krish писал(а):
dccharacter писал(а):Друг мой, мне кажется, что не одного меня ты подзадолбал. Пройди по ссылке и сделай выводы:
http://lmgtfy.com/?q=%D0%B2+%D1%87%D0%B5%D0%BC+%D0%B8%D0%B7%D0%BC%D0%B5%D1%80%D1%8F%D1%8E%D1%82%D1%81%D1%8F+%D0%BA%D0%B0%D1%82%D1%83%D1%88%D0%BA%D0%B8

Слышь "братан" если ты умный такой то скажи L1 это защитная катушка ?


Поразительная борзота. Ты хоть раз спасибо кому-нибудь сказал?
Мой волшебник это я сам. Всю архитектуру программы придумал лично, а ребята помогли воплотить её. Я бы и сам мог написать, но лень учить язык и его конструкции.
Аватара пользователя
dccharacter
 
Сообщения: 4995
Зарегистрирован: 10 дек 2010, 13:16
Откуда: Красногорск МО
прог. языки: C, Python, wiring/processing
ФИО: Андрей

Re: Помогите с роботом

Сообщение Krish » 31 янв 2011, 15:19

dccharacter писал(а):
Krish писал(а):
dccharacter писал(а):Друг мой, мне кажется, что не одного меня ты подзадолбал. Пройди по ссылке и сделай выводы:
http://lmgtfy.com/?q=%D0%B2+%D1%87%D0%B5%D0%BC+%D0%B8%D0%B7%D0%BC%D0%B5%D1%80%D1%8F%D1%8E%D1%82%D1%81%D1%8F+%D0%BA%D0%B0%D1%82%D1%83%D1%88%D0%BA%D0%B8

Слышь "братан" если ты умный такой то скажи L1 это защитная катушка ?


Поразительная борзота. Ты хоть раз спасибо кому-нибудь сказал?

Какая БОРЗОТА! Я спросил, ты мне кинул свою ссылку. Как всё сделаю скажу спасибо, кто помогал.!
Меня интересует можно ли работать без L1, у меня этой катушки нет и я не знаю как повлияет работа! Я попросил помочь.!
Krish
 
Сообщения: 155
Зарегистрирован: 29 дек 2010, 14:08
Откуда: Ростов-на-Дону
Skype: levanchik322
прог. языки: С++

Re: Помогите с роботом

Сообщение Skyline » 31 янв 2011, 15:37

Krish писал(а):SkyLine на твоём роботе я видел ИК бампер с robozone.su, скажи как его подключать, что такое out и in это порты от МК ? или что ?

Берешь и подключаешь: плюс к плюсу, минус к минусу, "in" с английского вход, то есть сюда мы подключаем проводок от МК, на котором будем генерить частоту 36кГц, "out" - выход, то есть отсюда будем получать данные есть ли препятствие или нет!
Глянь во этот кусочек листинга программки, и все сразу понятно:
Код: Выделить всёРазвернуть
'PortB.1 - выход сигнала
'PinC.0 - считываем состояние TSOPa
'Portd.0 - сигнальный светодиод

Config Pinb.1 = Output
Config Portd.0 = Output
Config Pinc.0 = Input
Аватара пользователя
Skyline
 
Сообщения: 278
Зарегистрирован: 12 май 2010, 13:30
Откуда: Уральск-Самара
Skype: sky-jap
прог. языки: Bascom AVR Basic
ФИО: Полулях Сергей Валерьевич

Re: Помогите с роботом

Сообщение Krish » 31 янв 2011, 16:17

SkyLine, а вот проводя дорожку от порта МК к гнезду для подключения + - и сигнал, например, для серва, надо ли делать сопротивление ? а то на схеме mrc 1KoM сопротивления дают, а на других схемах 220 Ом. Так что ставить 1к или 200 ом ? а то я запутался

Добавлено спустя 1 минуту 49 секунд:
http://newrobots-world.ucoz.ru/publ/mt_8/mt_8/8-1-0-33
а тут вообще 150 Ом
Krish
 
Сообщения: 155
Зарегистрирован: 29 дек 2010, 14:08
Откуда: Ростов-на-Дону
Skype: levanchik322
прог. языки: С++

Re: Помогите с роботом

Сообщение osc » 31 янв 2011, 22:33

Резистор этот для защиты порта от короткого замыкания, если палить порты не будешь, можешь не ставить.
Аватара пользователя
osc
 
Сообщения: 333
Зарегистрирован: 07 сен 2009, 20:06
прог. языки: c, c#
ФИО: Евгений

Re: Помогите с роботом

Сообщение Krish » 31 янв 2011, 23:01

osc писал(а):Резистор этот для защиты порта от короткого замыкания, если палить порты не будешь, можешь не ставить.

Не я понимаю, я спрашиваю какой желательно поставить резистор, я решил на 220 Ом поставить, это нормально ?
Krish
 
Сообщения: 155
Зарегистрирован: 29 дек 2010, 14:08
Откуда: Ростов-на-Дону
Skype: levanchik322
прог. языки: С++

Re: Помогите с роботом

Сообщение Radist » 01 фев 2011, 07:11

Неправильный вы вопрос задали. Так можно постоянно спрашивать про каждый элемент схемы. А правильный вопрос звучит так: видел, что люди ставят там-то резистор, вопрос номер 1 - зачем, вопрос номер 2 - как его рассчитать. Затем нужно попробовать самому найти решение, пусть даже не правильное - тут поправят. Затем было бы неплохо побольше узнать про работу серв. Тогда бы вы узнали, что ток по управляющему входу сервы пренебрежимо мал. Неплохо было бы изучить документацию на микроконтроллер. Из нее вы бы узнали, какой максимально допустимый ток вывода. Затем бы вы сравнили эти токи и увидели, что управляющий вывод сервы напрямую подключать к ножке контроллера можно. Однако резистор ставят. Почему? А что будет, если управляющий электрод закоротится с питанием случайно? КЗ. Ножка контроллера прикажет долго жить. А если бы стоял резистор - то КЗ бы не было. Значит минимальное защитное сопротивление считается так: максимальное напряжение питания делим на максимальный ток. Пусть это будут 5В/20 мА. Получаем 250 Ом. Если питание 3,3В / 20 мА - 165 Ом. Это - минимально допустимое защитное сопротивление, которое спасет ножку от смерти при КЗ. Нужен запас в большую сторону. Это я рассказал только ваш случай, его нельзя распространить на другие случаи. Каждый раз нужно учитывать все условия работы, а для этого нужно понимать, как что работает. А как что работает - уже давно описано, ваша задача - найти, прочитать и вникнуть.
Аватара пользователя
Radist
 
Сообщения: 2254
Зарегистрирован: 01 июл 2009, 08:59
Откуда: Екатеринбург
прог. языки: асемблер AVR

Re: Помогите с роботом

Сообщение Krish » 01 фев 2011, 16:21

Radist писал(а):Неправильный вы вопрос задали. Так можно постоянно спрашивать про каждый элемент схемы. А правильный вопрос звучит так: видел, что люди ставят там-то резистор, вопрос номер 1 - зачем, вопрос номер 2 - как его рассчитать. Затем нужно попробовать самому найти решение, пусть даже не правильное - тут поправят. Затем было бы неплохо побольше узнать про работу серв. Тогда бы вы узнали, что ток по управляющему входу сервы пренебрежимо мал. Неплохо было бы изучить документацию на микроконтроллер. Из нее вы бы узнали, какой максимально допустимый ток вывода. Затем бы вы сравнили эти токи и увидели, что управляющий вывод сервы напрямую подключать к ножке контроллера можно. Однако резистор ставят. Почему? А что будет, если управляющий электрод закоротится с питанием случайно? КЗ. Ножка контроллера прикажет долго жить. А если бы стоял резистор - то КЗ бы не было. Значит минимальное защитное сопротивление считается так: максимальное напряжение питания делим на максимальный ток. Пусть это будут 5В/20 мА. Получаем 250 Ом. Если питание 3,3В / 20 мА - 165 Ом. Это - минимально допустимое защитное сопротивление, которое спасет ножку от смерти при КЗ. Нужен запас в большую сторону. Это я рассказал только ваш случай, его нельзя распространить на другие случаи. Каждый раз нужно учитывать все условия работы, а для этого нужно понимать, как что работает. А как что работает - уже давно описано, ваша задача - найти, прочитать и вникнуть.

Всё понял, спасибо!
Купил 2 серва и 1 Шарп (с Шарпом лохонулся :cry: я думал кабель в комплекте а он без, стал подберать сам, но штекер от Шарпа очень мал и к нему не подходить PLS кабель :cry: , не знаю, что делать, подскажите)

Изображение 007[1].jpg


Сейчас попробую сервы поставить... Надеюсь будут работать, сейчас поищю прогу на работу сервов, вам скину, я там поменяю всё под свои порты МК, а вы мне скажите правильно ли...

Добавлено спустя 6 минут 5 секунд:
А можете посоветовать программатор которым вы пользуетесь, который 100% рабочии
Krish
 
Сообщения: 155
Зарегистрирован: 29 дек 2010, 14:08
Откуда: Ростов-на-Дону
Skype: levanchik322
прог. языки: С++

Re: Помогите с роботом

Сообщение Skyline » 01 фев 2011, 16:36

Krish писал(а):А можете посоветовать программатор которым вы пользуетесь, который 100% рабочии

А чем тебя твой прогер не устраивает? Ты же вроде как даже, прошивал им уже!
Аватара пользователя
Skyline
 
Сообщения: 278
Зарегистрирован: 12 май 2010, 13:30
Откуда: Уральск-Самара
Skype: sky-jap
прог. языки: Bascom AVR Basic
ФИО: Полулях Сергей Валерьевич

Re: Помогите с роботом

Сообщение Krish » 01 фев 2011, 16:58

Skyline писал(а):
Krish писал(а):А можете посоветовать программатор которым вы пользуетесь, который 100% рабочии

А чем тебя твой прогер не устраивает? Ты же вроде как даже, прошивал им уже!

Я боюсь им спалить порт LPT )) интересно просто чем вы пользуетесь.
Ладно, приступим.
Robotsspace.ucoz.ru
' Автор: Space
' Servo one (c) 2008
$regfile = "m8def.dat" ' используем ATmega8
$crystal = 16000000 ' частота установленного кварца 16 mHz

Config Servos = 1 , Servo1 = Portd.2 , Reload = 11 ' Указываем кол-во серв, присваеваем имя Servo1 порту PD2, указываем длину импульса.
Config Portd.2 = Output ' конфигурируем вывод 2 порта D на ВЫХОД


Dim Minimum As Byte
Dim Maximum As Byte
Dim X As Integer
Dim Center As Byte
' берём серву, которая вращается на 180 градусов, если будете брать другую, то придётся изменить длину импульса и мак. и мин. градусы.
Minimum = 90 ' минимальный разворот сервопривода в градусах
Maximum = 180 ' максимальный разворот сервопривода в градусах
Const Wait1 = 500 ' задержка в мс.
Center = Maximum - Minimum ' считаем под каким углом будет центр у сервопривод
' в моём случае это 90 (180-90=90) градусов.

Const Top = 45 ' постоянная для изменения положения вала сервопривода.

Enable Interrupts

' ниже надо найти неизвестную то есть X. Распишу только начало: X = Center - Top. Center = Maximum - Minimum. Top=45
' Center = 180 - 90. Center=90. X = 90 - 45. X = 45. Это значение подставляется в строчку Servo(1) = X.
' И с центра вал поварачивается на 45 градусов. После идёт сумма тех же значений и вал возвращается в прежнее положение
' то есть под угол 90 градусов.
Do ' начало цикла программы

X = Center - Top
Servo(1) = X
X = Center + Top
Waitms Wait1

Servo(1) = Center
X = Center
Waitms Wait1

X = Center + Top
Servo(1) = X
X = Center - Top
Waitms Wait1

Servo(1) = Center
X = Center
Waitms Wait1

Loop
End
Вот прога, скажите что не так, если будет ошибка скажите плиз. Порт у меня portD2, кварц 16 mhz. серва TowerPro GP5010.

Добавлено спустя 11 минут 31 секунду:
И вот ещё вопрос, как переводится .hex в формат .c а то не как не могу (
Krish
 
Сообщения: 155
Зарегистрирован: 29 дек 2010, 14:08
Откуда: Ростов-на-Дону
Skype: levanchik322
прог. языки: С++

Re: Помогите с роботом

Сообщение dccharacter » 01 фев 2011, 17:03

hex в c не переводится, он только в bin или в dec... Переводи в dec, а потом уже в c.
Мой волшебник это я сам. Всю архитектуру программы придумал лично, а ребята помогли воплотить её. Я бы и сам мог написать, но лень учить язык и его конструкции.
Аватара пользователя
dccharacter
 
Сообщения: 4995
Зарегистрирован: 10 дек 2010, 13:16
Откуда: Красногорск МО
прог. языки: C, Python, wiring/processing
ФИО: Андрей

Пред.След.

Вернуться в Новичкам или основы основ роботостроения.

Кто сейчас на конференции

Сейчас этот форум просматривают: нет зарегистрированных пользователей и гости: 0

cron