roboforum.ru

Технический форум по робототехнике.


Помогите с роботом

Раздел создан специально для людей которым интересна робототехника, но в силу разных причин они не знают с чего начать.
Задавайте ваши вопросы, какими бы простыми они не казались, постоянные посетители форума постараются ответить на них по мере своих сил.
Робот своими руками. Самодельный робот.

Re: Помогите с роботом

Сообщение Krish » 01 фев 2011, 17:33

dccharacter писал(а):hex в c не переводится, он только в bin или в dec... Переводи в dec, а потом уже в c.

Cкажи а прога правильная ?
Krish
 
Сообщения: 155
Зарегистрирован: 29 дек 2010, 14:08
Откуда: Ростов-на-Дону
Skype: levanchik322
прог. языки: С++

Re: Помогите с роботом

Сообщение dccharacter » 01 фев 2011, 17:40

А какой диаметр вала у твоих серв?
Мой волшебник это я сам. Всю архитектуру программы придумал лично, а ребята помогли воплотить её. Я бы и сам мог написать, но лень учить язык и его конструкции.
Аватара пользователя
dccharacter
 
Сообщения: 4995
Зарегистрирован: 10 дек 2010, 13:16
Откуда: Красногорск МО
прог. языки: C, Python, wiring/processing
ФИО: Андрей

Re: Помогите с роботом

Сообщение Krish » 01 фев 2011, 17:44

ты мне скажи что это, я тебе отвечу скоко... Если вал серва это то на что ципляется колосе или т.р. то он 0.5 мм
Krish
 
Сообщения: 155
Зарегистрирован: 29 дек 2010, 14:08
Откуда: Ростов-на-Дону
Skype: levanchik322
прог. языки: С++

Re: Помогите с роботом

Сообщение dccharacter » 01 фев 2011, 17:47

блин, не может быть полмиллиметра, тогда крутящий момент будет огромным и ток будет расти до бесконечности, не то что контроллер пожжешь - пожар устроишь дома
Мой волшебник это я сам. Всю архитектуру программы придумал лично, а ребята помогли воплотить её. Я бы и сам мог написать, но лень учить язык и его конструкции.
Аватара пользователя
dccharacter
 
Сообщения: 4995
Зарегистрирован: 10 дек 2010, 13:16
Откуда: Красногорск МО
прог. языки: C, Python, wiring/processing
ФИО: Андрей

Re: Помогите с роботом

Сообщение Krish » 01 фев 2011, 17:48

dccharacter писал(а):блин, не может быть полмиллиметра, тогда крутящий момент будет огромным и ток будет расти до бесконечности, не то что контроллер пожжешь - пожар устроишь дома

ой )))) полмиллимтера ))))) пол сантиметра, а как можно от сервушки сделать пожар ?)
Krish
 
Сообщения: 155
Зарегистрирован: 29 дек 2010, 14:08
Откуда: Ростов-на-Дону
Skype: levanchik322
прог. языки: С++

Re: Помогите с роботом

Сообщение dccharacter » 01 фев 2011, 17:52

да не от сервушки... Вот смотри теперь - бери свои полсантиметра и проверяй дефайны в своем коде.

Добавлено спустя 59 секунд:
стоп. все неправильно тебе говорю. какие дефайны.

Добавлено спустя 43 секунды:
ты чем компиляешь код? откуда у тебя хекс? у тебя сразу в бин или в дек должно компилятся с таким кодом.
Мой волшебник это я сам. Всю архитектуру программы придумал лично, а ребята помогли воплотить её. Я бы и сам мог написать, но лень учить язык и его конструкции.
Аватара пользователя
dccharacter
 
Сообщения: 4995
Зарегистрирован: 10 дек 2010, 13:16
Откуда: Красногорск МО
прог. языки: C, Python, wiring/processing
ФИО: Андрей

Re: Помогите с роботом

Сообщение Krish » 01 фев 2011, 18:04

dccharacter писал(а):да не от сервушки... Вот смотри теперь - бери свои полсантиметра и проверяй дефайны в своем коде.

Добавлено спустя 59 секунд:
стоп. все неправильно тебе говорю. какие дефайны.

Добавлено спустя 43 секунды:
ты чем компиляешь код? откуда у тебя хекс? у тебя сразу в бин или в дек должно компилятся с таким кодом.

Это не Хекс, компилирую с помощью WinAVR там Programmer Notepad. Этот код не хекс а .c

Добавлено спустя 9 минут 10 секунд:
Блин просто скажи прога правильная, если что надо спроси )) я просто боюсь спалить)) еслиб не боялся давно бы подключил ))
Krish
 
Сообщения: 155
Зарегистрирован: 29 дек 2010, 14:08
Откуда: Ростов-на-Дону
Skype: levanchik322
прог. языки: С++

Re: Помогите с роботом

Сообщение dccharacter » 01 фев 2011, 18:06

Стопроцентную гарантию не может дать даже страховой полис. Вон я спалил драйвер и-за того, что флюс с платы не смыл, а ты говоришь прога. Нормальная твоя прога. Для каких-то целей. Наверное.
Мой волшебник это я сам. Всю архитектуру программы придумал лично, а ребята помогли воплотить её. Я бы и сам мог написать, но лень учить язык и его конструкции.
Аватара пользователя
dccharacter
 
Сообщения: 4995
Зарегистрирован: 10 дек 2010, 13:16
Откуда: Красногорск МО
прог. языки: C, Python, wiring/processing
ФИО: Андрей

Re: Помогите с роботом

Сообщение Krish » 01 фев 2011, 18:16

dccharacter писал(а):Стопроцентную гарантию не может дать даже страховой полис. Вон я спалил драйвер и-за того, что флюс с платы не смыл, а ты говоришь прога. Нормальная твоя прога. Для каких-то целей. Наверное.

ВСМЫСЛЕ, флюс не смыл ? у меня дофига флюса на плате ))
Krish
 
Сообщения: 155
Зарегистрирован: 29 дек 2010, 14:08
Откуда: Ростов-на-Дону
Skype: levanchik322
прог. языки: С++

Re: Помогите с роботом

Сообщение dccharacter » 01 фев 2011, 18:23

поздравляю, чо.
Мой волшебник это я сам. Всю архитектуру программы придумал лично, а ребята помогли воплотить её. Я бы и сам мог написать, но лень учить язык и его конструкции.
Аватара пользователя
dccharacter
 
Сообщения: 4995
Зарегистрирован: 10 дек 2010, 13:16
Откуда: Красногорск МО
прог. языки: C, Python, wiring/processing
ФИО: Андрей

Re: Помогите с роботом

Сообщение Krish » 01 фев 2011, 18:25

dccharacter писал(а):поздравляю, чо.

да ну не может быть из за него, я давал напряжение +5В не сгорило, чо.
Krish
 
Сообщения: 155
Зарегистрирован: 29 дек 2010, 14:08
Откуда: Ростов-на-Дону
Skype: levanchik322
прог. языки: С++

Re: Помогите с роботом

Сообщение Radist » 01 фев 2011, 21:56

Язык, на котором написана программа, мне не знаком. Но практически в любом компиляторе языка есть встроенный симулятор. Проверяйте программы в нем. С порта Д2 должны выходить импульсы частотой следования 50 Гц (период 20мс), длительность импульса может принимать значения от 1 до 2 мс (точное значение хотите узнать - ищите даташит на конкретную серву). Значению 1 мс соответствует одно крайнее положение, значению 2 мс соответствует другое крайнее положение. Промежуточным значениям соответствуют промежуточные положения сервы, зависимость линейная. Симулируйте программу в симуляторе.

Хотите иметь меньше проблем при работе с электроникой - платы должны быть чистыми. Это должно войти в привычку. Канифоль хорошо смывать медицинским спиртом. Чтобы ничего не сгорело, надо пользоваться блоками питания с ограничением по току. Желаете серьезно заниматься роботами - не пожалейте трех тысяч на китайский источник. Он хоть и китайский, однако работает и не очень дорогой. Теоретически серву можно сжечь, если импульсы выйдут из диапазона 1-2 мс.

Программаторов полно. Есть схемы в инете, у многих самодельные программаторы (ЮСБ), работают нормально. Не хочется делать самому - можно купить, предложений в интернете полно. Говорить, что какой-то из них лучше другого, я не стану. Они все выполняют свои функции.
Аватара пользователя
Radist
 
Сообщения: 2254
Зарегистрирован: 01 июл 2009, 08:59
Откуда: Екатеринбург
прог. языки: асемблер AVR

Re: Помогите с роботом

Сообщение Krish » 01 фев 2011, 23:15

Radist писал(а):Язык, на котором написана программа, мне не знаком. Но практически в любом компиляторе языка есть встроенный симулятор. Проверяйте программы в нем. С порта Д2 должны выходить импульсы частотой следования 50 Гц (период 20мс), длительность импульса может принимать значения от 1 до 2 мс (точное значение хотите узнать - ищите даташит на конкретную серву). Значению 1 мс соответствует одно крайнее положение, значению 2 мс соответствует другое крайнее положение. Промежуточным значениям соответствуют промежуточные положения сервы, зависимость линейная. Симулируйте программу в симуляторе.

Хотите иметь меньше проблем при работе с электроникой - платы должны быть чистыми. Это должно войти в привычку. Канифоль хорошо смывать медицинским спиртом. Чтобы ничего не сгорело, надо пользоваться блоками питания с ограничением по току. Желаете серьезно заниматься роботами - не пожалейте трех тысяч на китайский источник. Он хоть и китайский, однако работает и не очень дорогой. Теоретически серву можно сжечь, если импульсы выйдут из диапазона 1-2 мс.

Программаторов полно. Есть схемы в инете, у многих самодельные программаторы (ЮСБ), работают нормально. Не хочется делать самому - можно купить, предложений в интернете полно. Говорить, что какой-то из них лучше другого, я не стану. Они все выполняют свои функции.


Спасибо, я ценю помощь.

Столкнулся с проблемой. Переустановил Винду и пошли муки. Программатор не распознается, спаял обычный прогер на 5 проводков, 0 эффекта! Не распознает и всё!
11.JPG

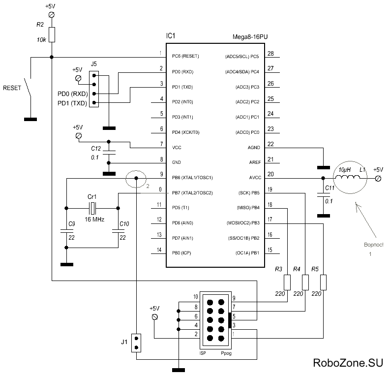
И вот вопрос... На схеме конденсатор c12 для чего ?! Он в принципе не нужен ? он вроде соединяет линию + и - ?
1204281516_mainmk.gif
Krish
 
Сообщения: 155
Зарегистрирован: 29 дек 2010, 14:08
Откуда: Ростов-на-Дону
Skype: levanchik322
прог. языки: С++

Re: Помогите с роботом

Сообщение yak-40 » 01 фев 2011, 23:23

Krish писал(а):На схеме конденсатор c12 для чего ?! Он в принципе не нужен ?

Что-бы не задавать такие вопросы - срочно учить теорию!
Можно начать с курса http://www.avr123.nm.ru/
- Этот человек - не человек! это робот!
- Как? уже делают?!
- Делают!!!
Аватара пользователя
yak-40
 
Сообщения: 3037
Зарегистрирован: 23 окт 2007, 22:03
Откуда: Москва
прог. языки: С
ФИО: Евгений Яковец

Re: Помогите с роботом

Сообщение Radist » 02 фев 2011, 06:42

Это - так называемый "конденсатор по питанию", "фильтрующий конденсатор". Любой провод схемы может излучать и принимать высокочастотные колебания, в том числе провода питания. Конденсатор для высокой частоты является перемычкой, он закорачивает ВЧ на землю, не пуская наводки внутрь микроконтроллера. Для постоянного тока конденсатор - обрыв цепи. Рекомендую найти и прочитать книгу "Искусство схемотехники" под редакцией Хоровица и Хилла.
Аватара пользователя
Radist
 
Сообщения: 2254
Зарегистрирован: 01 июл 2009, 08:59
Откуда: Екатеринбург
прог. языки: асемблер AVR

Пред.След.

Вернуться в Новичкам или основы основ роботостроения.

Кто сейчас на конференции

Сейчас этот форум просматривают: нет зарегистрированных пользователей и гости: 0

cron