Мне нужно управлять отдельным устройством с помощью мосфета - подаю на затвор лог. 1 с МК. Но устроуство подклю чается не как диод или ампочка (т.е. последовательно к сток-исток), а должен идти один провод, а земля будет общая.
Помогите, пожалуйста.
![]() |
roboforum.ruТехнический форум по робототехнике. |
|
|
| Реклама | ||||
|
|
|
|||



| Реклама | ||||
|
|
|
|||
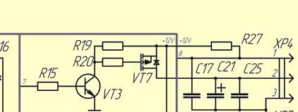
Поэтому в этой схеме поменяй мосфет на P-канальный.=DeaD= писал(а):Будет, если на затвор подашь питание +10В.
avr123.nm.ru писал(а):=DeaD= писал(а):Будет, если на затвор подашь питание +10В.
Понятно написано.
Вернуться в Новичкам или основы основ роботостроения.
Сейчас этот форум просматривают: нет зарегистрированных пользователей и гости: 0