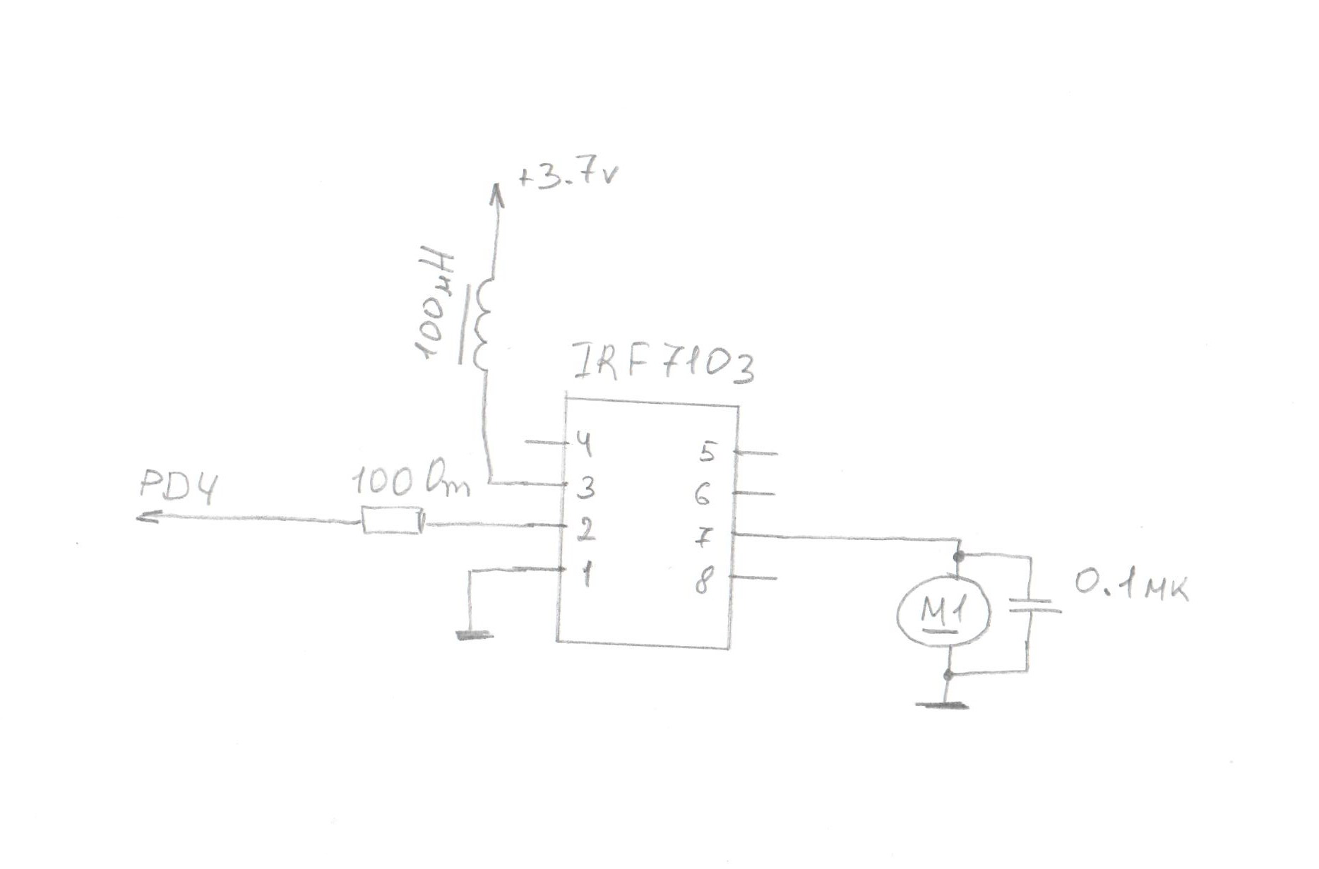
начал делать line tracera, питание 3.7 в (от мобильного телефона)
возник вопрос какой использовать драйвер (на л293д падение порядка 1.5 в, да и от 3.7 вольт л293д работать всего скорее не будет(не пробовал)).
посоветуйте как правильно и надежно сделать драйвер, полноценный драйвер не нужен движение будет осуществляться только вперед (с помощью шим)


