Раздел создан специально для людей которым интересна робототехника, но в силу разных причин они не знают с чего начать.
Задавайте ваши вопросы, какими бы простыми они не казались, постоянные посетители форума постараются ответить на них по мере своих сил.
Робот своими руками. Самодельный робот.
galex1981 » 10 май 2009, 20:04
Да, не заметил

SERGEY_M прав, даташит ниже выкладываю на irf
- Вложения
-
irf7103.pdf
- (169.19 КиБ) Скачиваний: 31
if(!Operate) Read(pDatasheet);
-

galex1981
-
- Сообщения: 4363
- Зарегистрирован: 04 дек 2008, 22:44
- Откуда: Камышин
- Skype: galk-aleksandr1
- прог. языки: Kotlin, Java, C, C++, Assm, BasCom, VB, php
- ФИО: Галкин Александр Владимирович
-
VIRUS_V8 » 10 май 2009, 20:17
тогда посоветуйте...
мне не нужен полноценный мост, движение будет осуществляться только в одном направлении, тоесть вперед (с использованием ШИМ).
у кого какие идеи есть по этому поводу?
-
VIRUS_V8
-
- Сообщения: 170
- Зарегистрирован: 06 май 2008, 18:33
- Откуда: г. Щигры, Курская обл.
- прог. языки: Delphi, BASCOM-AVR(basic)
- ФИО: Павел
-
SERGEY_M » 10 май 2009, 20:23
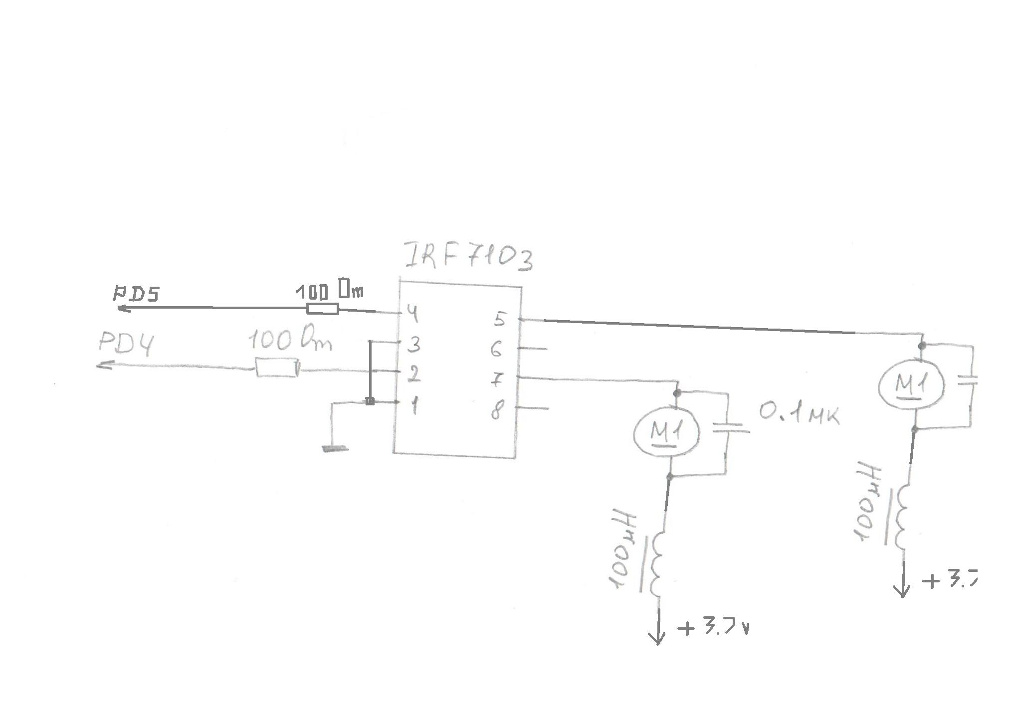
а какие идеи... уже все нарисовано
на второй полевик второй движок примастырить
и управляй себе...
-

SERGEY_M
-
- Сообщения: 682
- Зарегистрирован: 20 мар 2009, 12:45
- Откуда: Украина, Одесса
- ФИО: Сергей
-
VIRUS_V8 » 10 май 2009, 20:50
а не будет помех от движков питание общее и на движки и на мк?
Добавлено спустя 31 секунду:
ну типа если дроссель выкинуть
-
VIRUS_V8
-
- Сообщения: 170
- Зарегистрирован: 06 май 2008, 18:33
- Откуда: г. Щигры, Курская обл.
- прог. языки: Delphi, BASCOM-AVR(basic)
- ФИО: Павел
-
SERGEY_M » 10 май 2009, 20:53
Я дроссель выкинул условно......
лень было рисовать...
конец с движка пусти не напрямую, а через дроссель на АБ.
-

SERGEY_M
-
- Сообщения: 682
- Зарегистрирован: 20 мар 2009, 12:45
- Откуда: Украина, Одесса
- ФИО: Сергей
-
VIRUS_V8 » 10 май 2009, 21:22
типа так, или дроссель один всего нужен?
- Вложения
-

-
VIRUS_V8
-
- Сообщения: 170
- Зарегистрирован: 06 май 2008, 18:33
- Откуда: г. Щигры, Курская обл.
- прог. языки: Delphi, BASCOM-AVR(basic)
- ФИО: Павел
-
nest » 10 май 2009, 22:06
ставь два как есть. имхо...
-

nest
-
- Сообщения: 977
- Зарегистрирован: 21 янв 2005, 12:16
- Откуда: Germany
- прог. языки: asm
Вернуться в Новичкам или основы основ роботостроения.
Кто сейчас на конференции
Сейчас этот форум просматривают: нет зарегистрированных пользователей и гости: 0