roboforum.ru

Технический форум по робототехнике.


драйвер двигателей нужна помощь

Раздел создан специально для людей которым интересна робототехника, но в силу разных причин они не знают с чего начать.
Задавайте ваши вопросы, какими бы простыми они не казались, постоянные посетители форума постараются ответить на них по мере своих сил.
Робот своими руками. Самодельный робот.

Re: драйвер двигателей нужна помощь

Сообщение galex1981 » 10 май 2009, 20:04

Да, не заметил :oops: SERGEY_M прав, даташит ниже выкладываю на irf
Вложения
irf7103.pdf
(169.19 КиБ) Скачиваний: 31
if(!Operate) Read(pDatasheet);
Аватара пользователя
galex1981
 
Сообщения: 4363
Зарегистрирован: 04 дек 2008, 22:44
Откуда: Камышин
Skype: galk-aleksandr1
прог. языки: Kotlin, Java, C, C++, Assm, BasCom, VB, php
ФИО: Галкин Александр Владимирович

Re: драйвер двигателей нужна помощь

Сообщение VIRUS_V8 » 10 май 2009, 20:17

тогда посоветуйте...
мне не нужен полноценный мост, движение будет осуществляться только в одном направлении, тоесть вперед (с использованием ШИМ).
у кого какие идеи есть по этому поводу?
VIRUS_V8
 
Сообщения: 170
Зарегистрирован: 06 май 2008, 18:33
Откуда: г. Щигры, Курская обл.
прог. языки: Delphi, BASCOM-AVR(basic)
ФИО: Павел

Re: драйвер двигателей нужна помощь

Сообщение SERGEY_M » 10 май 2009, 20:23

а какие идеи... уже все нарисовано
на второй полевик второй движок примастырить :)
и управляй себе...
Аватара пользователя
SERGEY_M
 
Сообщения: 682
Зарегистрирован: 20 мар 2009, 12:45
Откуда: Украина, Одесса
ФИО: Сергей

Re: драйвер двигателей нужна помощь

Сообщение VIRUS_V8 » 10 май 2009, 20:50

а не будет помех от движков питание общее и на движки и на мк?

Добавлено спустя 31 секунду:
ну типа если дроссель выкинуть
VIRUS_V8
 
Сообщения: 170
Зарегистрирован: 06 май 2008, 18:33
Откуда: г. Щигры, Курская обл.
прог. языки: Delphi, BASCOM-AVR(basic)
ФИО: Павел

Re: драйвер двигателей нужна помощь

Сообщение SERGEY_M » 10 май 2009, 20:53

Я дроссель выкинул условно......
лень было рисовать...
конец с движка пусти не напрямую, а через дроссель на АБ.
Аватара пользователя
SERGEY_M
 
Сообщения: 682
Зарегистрирован: 20 мар 2009, 12:45
Откуда: Украина, Одесса
ФИО: Сергей

Re: драйвер двигателей нужна помощь

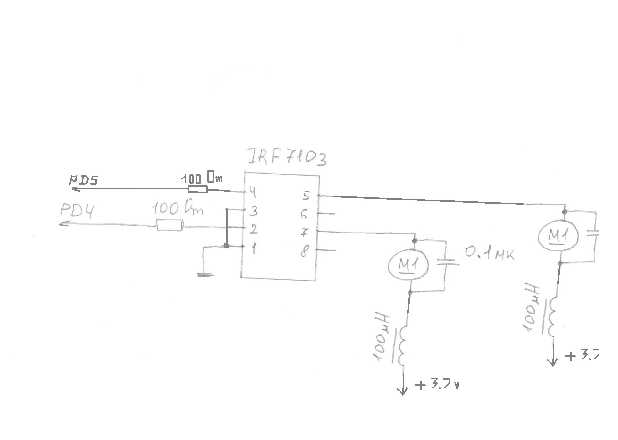
Сообщение VIRUS_V8 » 10 май 2009, 21:22

типа так, или дроссель один всего нужен?
Вложения
Driver.jpg
VIRUS_V8
 
Сообщения: 170
Зарегистрирован: 06 май 2008, 18:33
Откуда: г. Щигры, Курская обл.
прог. языки: Delphi, BASCOM-AVR(basic)
ФИО: Павел

Re: драйвер двигателей нужна помощь

Сообщение nest » 10 май 2009, 22:06

ставь два как есть. имхо...
Аватара пользователя
nest
 
Сообщения: 977
Зарегистрирован: 21 янв 2005, 12:16
Откуда: Germany
Предупреждения: -4
прог. языки: asm

Пред.

Вернуться в Новичкам или основы основ роботостроения.

Кто сейчас на конференции

Сейчас этот форум просматривают: нет зарегистрированных пользователей и гости: 4