Всем прива.
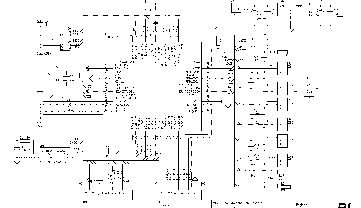
Начал делать схему контроллера в Протеус, но нету ни одного похожего МК.
Например нужна мега128, но в Протеус она выглядит не совсем как на самом деле.
Как бы мне её обозначить схематически, чтобы сделать схему ?
Или может, есть программы, где есть модели МК распространенных?


