roboforum.ru

Технический форум по робототехнике.

PS21563 IGBT Modules

Раздел создан специально для людей которым интересна робототехника, но в силу разных причин они не знают с чего начать.
Задавайте ваши вопросы, какими бы простыми они не казались, постоянные посетители форума постараются ответить на них по мере своих сил.
Робот своими руками. Самодельный робот.

PS21563 IGBT Modules

Сообщение GIGOLAS » 26 мар 2014, 22:19

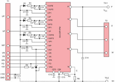
Всем приветик, тут по удалось урвать один модуль PS21563. вот картинка и PDF
38_4.jpg

PS21563-SP.pdf
(217.14 КиБ) Скачиваний: 0


Кто из вас его пробовал это чудо юзать, просто думаю стоит пробовать подключить или оставить его в покое.
По жизненному опыту я точно знаю, что есть определённый тип людей, который считает что все ему должны.
Я отношу себя к противоположному типу, который постоянно считает себя виноватым в чём либо.
Ненавижу когда кто то пользуется моими недостатками.
Аватара пользователя
GIGOLAS
 
Сообщения: 302
Зарегистрирован: 22 сен 2008, 22:15
Откуда: Раменки 43

Re: PS21563 IGBT Modules

Сообщение avr123.nm.ru » 27 мар 2014, 00:53

Лучше оставить пока не появится увереность в том что делаешь
Читайте !
Аватара пользователя
avr123.nm.ru
отсылающий читать курс
 
Сообщения: 14195
Зарегистрирован: 06 ноя 2005, 04:18
Откуда: Москва
Предупреждения: -8


Вернуться в Новичкам или основы основ роботостроения.

Кто сейчас на конференции

Сейчас этот форум просматривают: нет зарегистрированных пользователей и гости: 0

cron