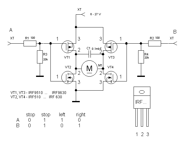
Собрал драйвер моторов по данной схеме:
Мосфеты использовал:
2xIRF9530N
2xIRF630
Работает очень странно.
Если мотор запитывать напрямую от аккумулятора 9,6В, то при нагрузке будет потреблять 4А.
А если замерять нагрузгу с того-же аккумулятора через этот Н-мост, то будет всего 1,5А
Помогите! В чем проблема?Заранее спасибо!



