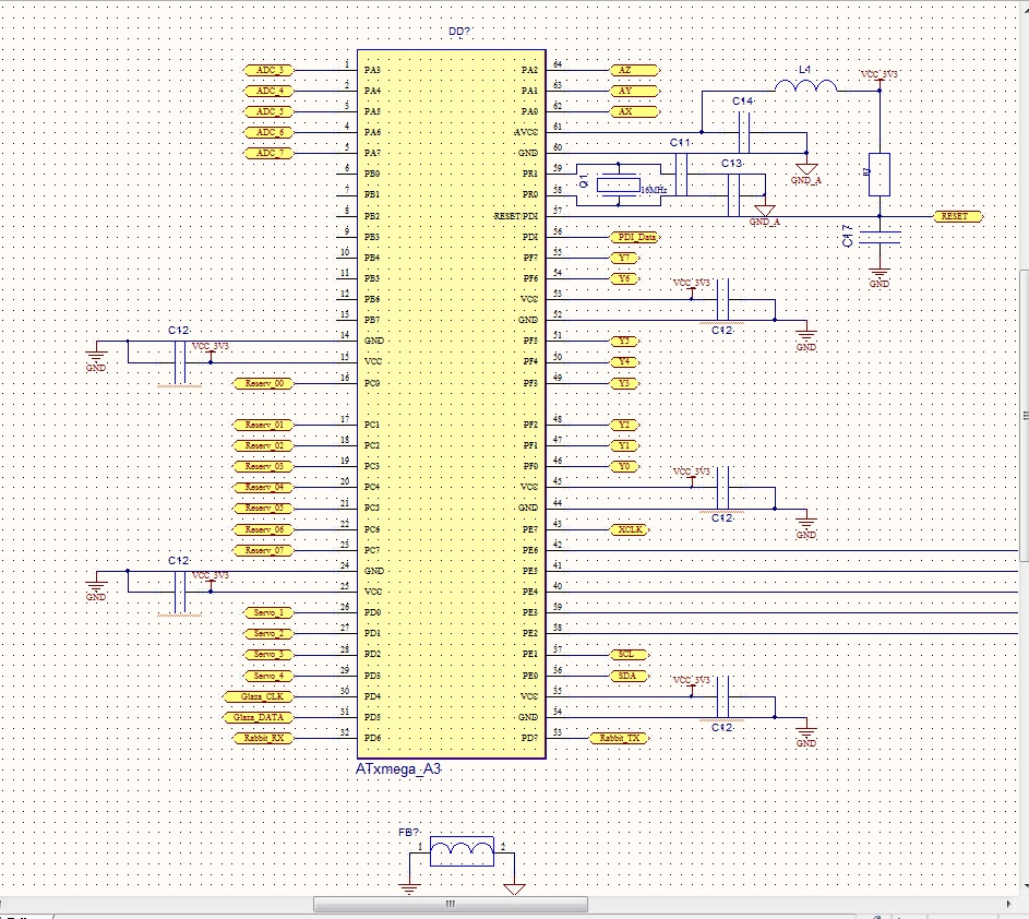
Возникла проблема:
на монтажке под корпус tqfp64 собрал ХМегу 256А3. По всем правилам, на каждой ножке питания 0.1 мкФ, на входе 10 мкФ, питание на плату через феррит, аналоговая часть через катушку. Ресет подтянут к питанию через 10к. Кварц 16 МГц рядом с контроллером, конденсаторы 22пФ прямо на ножки повесил.
Все детали смд.
Так вот, осциллограф показывает, что напряжение на подтянутой ножке ресета гуляет от 0 до самого питания.
При этом, контроллер отлично прошивается и иногда даже работает. То есть сам включается и какое-то время выдаёт то, что должен. И в моменты его пробуждений на ресете где-то около 1,7В.
Перепробовал всё, осталась только одна идея, что контроллер дохлый.


