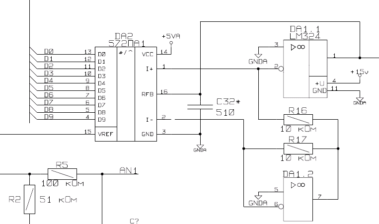
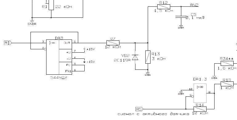
На рисунке выше приведена часть принципиальной схемы. AI - исходный сигнал, снимаемый с датчиков, с диапазоном принимаемых значений от -15 до +15 В. AN2 - представляющий интерес обработанный аналоговый сигнал, подключаемый непосредственно к АЦП МК.
Вот выдержка из документации:
Т.к. используемый в блоке преобразователь напряжение-код на основе микроконтроллера может преобразовывать напряжение только одной положительной полярности, между ним и выходом DA3 включен узел смещающий уровень постоянного напряжения на величину +1,9 вольта.
Этот узел выполнен на ОУ DA1/3 со стабистором VD2 типа 2C119A в цепи отрицательной обратной связи. При этом напряжение на аналоговом входе контроллера будет всегда положительным (при возможных значениях измеряемого тока).
Не совсем понятно, каким образом конкретно в данном случае осуществляется смещение напряжения в положительную сторону. Почему стабистор включён по схеме, как если бы это был стабилитрон. О какой цепи ООС идёт речь - в упор не вижу.
Не судите строго, если вопросы покажутся глупыми - в аналоговой электронике познаний пока не так уж много.


