![]() |
roboforum.ruТехнический форум по робототехнике. |
|
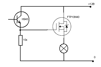
-= Александр =- писал(а):Поменяй местами резистор и Н945 и будет тебе щастье...

loid писал(а):Подумал управлять полевым транзистором, что был под рукой FTP10N40.
loid писал(а):Как при помощи МК включать мощьные нагрузки?

loid писал(а):Что не так?
loid писал(а):Из ссылки "Транзистор - как работает" ЧИТАТЬ !!! думать ! делать !
viewtopic.php?f=11&t=3323 понял что полевой транзистор открывается не постоянным напряжением через затвор, а постоянно меняющимся, т.к. сам затвор изолирован.
loid писал(а):По идее полевик не должен открыться, или открылся бы на доли секунды, пока есть изменение на затворе. А потом опять закроется.
Получается полевики нужно заземлять стоком?loid писал(а):поставил лампу вверх и заработало
loid писал(а):Получается полевики нужно заземлять стоком?


loid писал(а):Я это читал. Почему же у меня не работало когда нагрузку подцеплял к СТОКу. Подцепив к ИСТОКу - всё работает. Ну не доходит пока, что тут поделать.
Спасибо за помощь, все понял. По даташиту на этот полевик говориться, что для полного открывания нужно приложить напряжение 30Вольт
. Просто я думал что 5 Вольт хватит. 


loid писал(а):По даташиту на этот полевик говориться, что для полного открывания нужно приложить напряжение 30 Вольт
loid писал(а): Теперь проблема - где взять 30 Вольт.
Вернуться в Электроника, электротехника
Сейчас этот форум просматривают: нет зарегистрированных пользователей и гости: 0