roboforum.ru

Технический форум по робототехнике.


H-мост (H-bridge) и все о нем

Резисторы, транзисторы, конденсаторы, микросборки, чип компоненты ...
Вопросы согласования управляющих модулей с периферией.

Re: H-мост (H-bridge) и все о нем

Сообщение ZarK117 » 18 апр 2009, 16:34

Ребята, подскажите, евсть ли какой Н-мост на двиг током в 8А и напряжением 12В? Конечно я надыбал парочку моделей типа VNH3SP30-E. Но проблемка в его стоимости и, насколько я понял, им не резонно будет управлять через ту же мегу, так как чувствовать ШИМ, он толком не будет. Да и вообще, стоит ли связываться с чипами иль лучше сделать непосредственно на полевыз транзах?????
Аватара пользователя
ZarK117
 
Сообщения: 65
Зарегистрирован: 27 апр 2007, 21:25
Откуда: Санкт-Петербург

Re: H-мост (H-bridge) и все о нем

Сообщение EdGull » 18 апр 2009, 16:42

схему Н-мостов можешь взять из БрумБота
Аватара пользователя
EdGull
 
Сообщения: 10211
Зарегистрирован: 28 дек 2004, 20:33
Откуда: Тольятти
Skype: Ed_Gull
прог. языки: Bascom AVR Basic
ФИО: Гуль Эдуард Викторович

Re: H-мост (H-bridge) и все о нем

Сообщение ZarK117 » 19 апр 2009, 01:19

Схема там что-то не видна в полном размере, хотя спасибо за ссылку. Но насолько я понимаю, IR2101 разработанны на ток 0.35А а мне нужно 8А.....или есть какой-то чип серии IR на 8 А????
Аватара пользователя
ZarK117
 
Сообщения: 65
Зарегистрирован: 27 апр 2007, 21:25
Откуда: Санкт-Петербург

Re: H-мост (H-bridge) и все о нем

Сообщение EdGull » 19 апр 2009, 07:52

даже не знаю как тебе и ответить...
толи пошутить толи нагрубить... :D
глаза пробывал открывать?
Аватара пользователя
EdGull
 
Сообщения: 10211
Зарегистрирован: 28 дек 2004, 20:33
Откуда: Тольятти
Skype: Ed_Gull
прог. языки: Bascom AVR Basic
ФИО: Гуль Эдуард Викторович

Re: H-мост (H-bridge) и все о нем

Сообщение ZarK117 » 19 апр 2009, 13:44

Спасибо, что пошутили..... дело оказалось в браузере! :good:
Аватара пользователя
ZarK117
 
Сообщения: 65
Зарегистрирован: 27 апр 2007, 21:25
Откуда: Санкт-Петербург

Re: H-мост (H-bridge) и все о нем

Сообщение galex1981 » 19 апр 2009, 23:55

Всем доброго времени суток. Возникла у меня некоторая проблема:
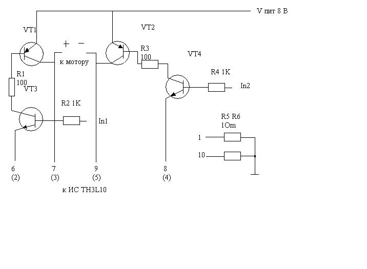
Решил я использовать движковый мост из игрушечного танка (схему привожу ниже). На схеме используется 2 модуля для каждого двигателя. На схеме цифрами указаны выводы ИС TH3L10. Работа драйвера такова: подаешь 1 на in1, 0 на in2 двигатель вращается в одну сторону, 0 на in1, 1 на in2 двигатель вращается в другую сторону. Схема питается от аккумулятора 8 В. В общем суть проблемы: когда я на входы подаю 1 - питание от аккумулятора 8 В, все работает нормально, но когда я входы подключил к выходам минибота (D4 и C2, общий провод минибота тоже подключил к общему платы) в одну сторону двигатель вращается, а в другую сгорает предохранитель на питании 8 В и транзисторы драйвера греются. Ничего не понимаю, вроде бы там всего лишь чередуются 0 и 1, но работает только в одну сторону

Добавлено спустя 12 минут 9 секунд:
переправил схему

Добавлено спустя 3 часа 35 минут 44 секунды:
Сославшись на то что не хватает мощности у логической 1 минибота сделал преобразователь, схема ниже, все равно работает так же, то есть в одну сторону

Добавлено спустя 27 минут 16 секунд:
В общем проблема была в том, что в редукторе который я использовал была грязь и он клинил в обратную сторону двигатель.....
Вложения
_транзисторов1.JPG
преобразователь уровней
H мост.JPG
схема переделанная
th3l10.JPG
описание ис
if(!Operate) Read(pDatasheet);
Аватара пользователя
galex1981
 
Сообщения: 4363
Зарегистрирован: 04 дек 2008, 22:44
Откуда: Камышин
Skype: galk-aleksandr1
прог. языки: Kotlin, Java, C, C++, Assm, BasCom, VB, php
ФИО: Галкин Александр Владимирович

Re: H-мост (H-bridge) и все о нем

Сообщение ZarK117 » 13 май 2009, 22:01

Мда.... разобравшись с объемом работ и предстоящим количеством лагов при конструировании..да еще нет осцилогрофа..в общем оптимизма поубавилось. :o Товарищи а, не могли бы подсказать, есть ли какая - нить микросхема, выполняющая функцию Н-моста, в выше обозначенных пределах - в общем есть ли этакий однокристальный вариант схемы Н моста брум бота??? 8)
Аватара пользователя
ZarK117
 
Сообщения: 65
Зарегистрирован: 27 апр 2007, 21:25
Откуда: Санкт-Петербург

Re: H-мост (H-bridge) и все о нем

Сообщение Duhas » 13 май 2009, 22:07

осциллограф для создания моста вообще никуда не уперся... если реверс не частый нужен то вообще поставьте 1 полевик на ШИМ и релюху...

однокристалки по идее есть, но дороги и непаябельны ...
«Как сердцу выразить себя? … Мысль изреченная есть ложь!»
В этом мире меня подводит доброта и порядочность...
"двое смотрят в лужу, один видит лужу, другой отраженные в ней звезды"
Аватара пользователя
Duhas
 
Сообщения: 6338
Зарегистрирован: 15 сен 2007, 13:03
Откуда: Красноярск
прог. языки: ASM(МК), C(PC)
ФИО: Гагарский Андрей Александрович

Re: H-мост (H-bridge) и все о нем

Сообщение ZarK117 » 13 май 2009, 22:26

Осцилограф не столько для моста, сколько для того, что бы посмотреть что этот мост выдает на двиг, что происходит на двиге..и т.д. Но опятьже..не всякая опторелюха выдержит такие воздействия (8 А и 12 В, частота порядка 10кГц), да и с полевиков все так безоблачно, только в теории. Но если вы приведете хотя юы один пример такой релюхи..буду благодарен. :shock:
Аватара пользователя
ZarK117
 
Сообщения: 65
Зарегистрирован: 27 апр 2007, 21:25
Откуда: Санкт-Петербург

Re: H-мост (H-bridge) и все о нем

Сообщение Duhas » 13 май 2009, 22:28

релюхе нужно дергаться только когдаменяется направление вращения двига... а это в обычной тележке та еще редкость... 10кГц будет идти на полевик, с 1 полевиком траблов вообще никаких.. траблы начинаются когда надо сделать мост из н-канальных полевиков...

что идет на двиг определяется по скорости и моменты на валу....
«Как сердцу выразить себя? … Мысль изреченная есть ложь!»
В этом мире меня подводит доброта и порядочность...
"двое смотрят в лужу, один видит лужу, другой отраженные в ней звезды"
Аватара пользователя
Duhas
 
Сообщения: 6338
Зарегистрирован: 15 сен 2007, 13:03
Откуда: Красноярск
прог. языки: ASM(МК), C(PC)
ФИО: Гагарский Андрей Александрович

Re: H-мост (H-bridge) и все о нем

Сообщение ZarK117 » 13 май 2009, 22:41

Ну, допустим забыли мы о смене управления, но основной прикол заключается в управлении двигом через ШИМ с МК! Там то и есть высокая для релюхи частота!!
Аватара пользователя
ZarK117
 
Сообщения: 65
Зарегистрирован: 27 апр 2007, 21:25
Откуда: Санкт-Петербург

Re: H-мост (H-bridge) и все о нем

Сообщение Duhas » 13 май 2009, 23:08

епонский бог... ШИМ идет НА МОСФЕТ

релюха работает в постоянно замкнутом положении и дергаетсятолько при изменении направления... релюхе по ..... что через нее идет когда ее контакты замкнуты... главно чтоб за номинальный ток не выходило....
«Как сердцу выразить себя? … Мысль изреченная есть ложь!»
В этом мире меня подводит доброта и порядочность...
"двое смотрят в лужу, один видит лужу, другой отраженные в ней звезды"
Аватара пользователя
Duhas
 
Сообщения: 6338
Зарегистрирован: 15 сен 2007, 13:03
Откуда: Красноярск
прог. языки: ASM(МК), C(PC)
ФИО: Гагарский Андрей Александрович

Re: H-мост (H-bridge) и все о нем

Сообщение SiemX » 14 май 2009, 22:45

Что лучше L239dne или мост на транзисторах H882 и H772 от радиоуправления какойто игрушки?
SiemX
 
Сообщения: 159
Зарегистрирован: 08 май 2009, 21:21
Предупреждения: -1

Re: H-мост (H-bridge) и все о нем

Сообщение avr123.nm.ru » 15 май 2009, 01:02

SiemX писал(а):Что лучше L239dne или мост на транзисторах H882 и H772 от радиоуправления какойто игрушки?

За вопрос 10 баллов !
Аватара пользователя
avr123.nm.ru
отсылающий читать курс
 
Сообщения: 14195
Зарегистрирован: 06 ноя 2005, 04:18
Откуда: Москва
Предупреждения: -8

Re: H-мост (H-bridge) и все о нем

Сообщение -= Александр =- » 26 май 2009, 14:36

L239 имеет логику защиты от сквозняка и входы управления для ШИМа. Т.е. ее можно ШИМить одним сигналом. А в случае с транзисторами - все надо будет делать вручную. И защиту от открытия обоих транзисторов сразу и подачу ШИМа на них и самое сложное - управление верхним плечом (в случае питания >5-6В и хорошего КПД - это тоже задачка не из легких). Где-то с 1 по 5ую страницу этого топика я вывешивал простую схему на полевиках до 5А - можешь ее повторить, если L239 тебе не хватает.
Ниндзя - круче всех. Они умеют ходить по воде, делить на ноль и угадывать шаффл в АйПоде.
Аватара пользователя
-= Александр =-
Мастер Самоделкин
 
Сообщения: 3678
Зарегистрирован: 11 окт 2004, 19:20
Откуда: Россия, СПб
прог. языки: C/C++, Python, asm
ФИО: Курмис Александр Андреевич

Пред.След.

Вернуться в Электроника, электротехника

Кто сейчас на конференции

Сейчас этот форум просматривают: нет зарегистрированных пользователей и гости: 5