galex1981 » 19 апр 2009, 23:55
Всем доброго времени суток. Возникла у меня некоторая проблема:
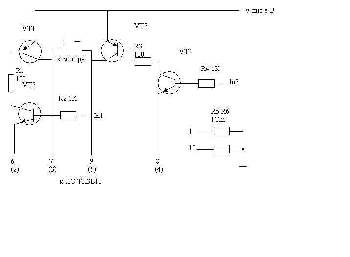
Решил я использовать движковый мост из игрушечного танка (схему привожу ниже). На схеме используется 2 модуля для каждого двигателя. На схеме цифрами указаны выводы ИС TH3L10. Работа драйвера такова: подаешь 1 на in1, 0 на in2 двигатель вращается в одну сторону, 0 на in1, 1 на in2 двигатель вращается в другую сторону. Схема питается от аккумулятора 8 В. В общем суть проблемы: когда я на входы подаю 1 - питание от аккумулятора 8 В, все работает нормально, но когда я входы подключил к выходам минибота (D4 и C2, общий провод минибота тоже подключил к общему платы) в одну сторону двигатель вращается, а в другую сгорает предохранитель на питании 8 В и транзисторы драйвера греются. Ничего не понимаю, вроде бы там всего лишь чередуются 0 и 1, но работает только в одну сторону
Добавлено спустя 12 минут 9 секунд:
переправил схему
Добавлено спустя 3 часа 35 минут 44 секунды:
Сославшись на то что не хватает мощности у логической 1 минибота сделал преобразователь, схема ниже, все равно работает так же, то есть в одну сторону
Добавлено спустя 27 минут 16 секунд:
В общем проблема была в том, что в редукторе который я использовал была грязь и он клинил в обратную сторону двигатель.....
- Вложения
-

- преобразователь уровней
-

- схема переделанная
-

- описание ис
if(!Operate) Read(pDatasheet);