Что-то я не соображу как сделать.
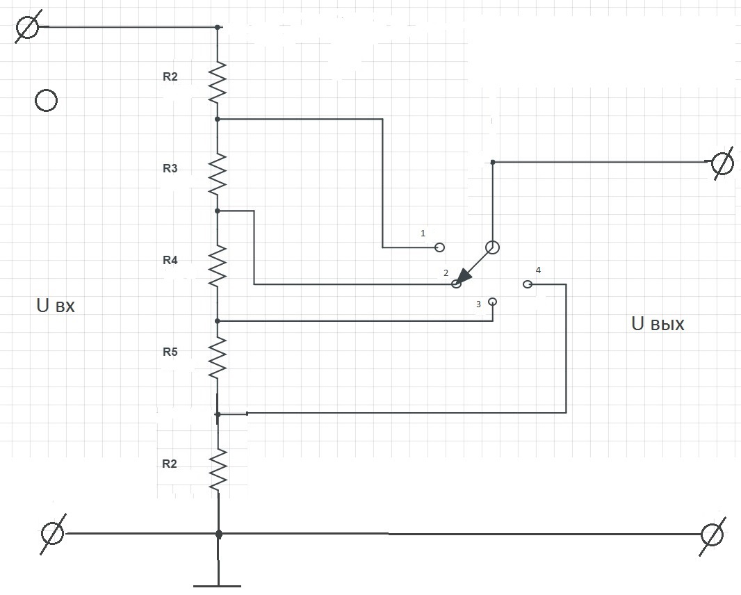
есть повышающий преобразователь, его напряжение регулируется резистором, чем выше сопротивление тем выше выходное напряжение.
задача:
крутить резистор и ловить нужное напряжение неудобно.
хочу подключить переключатель с резисторами, так чтобы поворачивая ручку переключателя можно было сразу выбрать нужное напряжение.
в положении 1 напряжение минимально, в положении 4 максимально(ну в реале там 7 положений, просто лень рисовать все).
проблема:
при переключении тумблеров есть краткий момент когда контакт тумблера перескакивает контакты и никуда не подключен, в этот момент в цепи отсутствуют добавочные резисторы и напряжение кратковременно скачет до максимума.
что делать то?

