лучше бы начали с того, что энкодер это в данном случае лента с оптопарой. или что вам по каким-то причинам не хочется простую оптопару брать, а ищите какие варианты готового модуля на микросхемах или отдельно микросхемы, хоть с цифровым выходом, каким-то определённым интерфейсом, протоколом и прочим.
если такой умный и про 180-90/90 это бред, так с чего такие "Лента, на дюйм 300 полосок и 300 пробелов. Какое это разрешение? 300 или 600 лпи?" бредовые вопросы задаёте? есть много вариантов, почему и когда одна и таже лента с разными циферками упоминается. технически сколько насечек на ленте, столько и lpi. но это лента, с линеатурой в общем это не всегда так, но то сами ищите, там много всего из разных областей.
по той ссылке выше вообще dpi упоминаются, а вы это тут как lpi преподносили. иногда некоторые не понимая копипастят описание товара, допустим "лента для принтера/сканера/... с разрешением столько-то печати/сканирования lpi или dpi" при копипасте описаний легко может стать "лента столько-то dpi или lpi" и ещё не факт, что они число возьмут по той координате.

бывает и бывает очень часто подобное бывает. так пардонс, если вы собирались покупать, так такой вариант описания товара нужно учитывать. кроме такого упоминания о разрешении печати/сканирования бывает ещё указание, сколько на выходе конкретного энкодера получают позиций/импульсов. на одну нарисованную линию их можно получить и одну и две, а иногда и три. и это только с одной щелью, одним фотодиодом (резистором, транзистором,...) и без вычислений текущего положения при движении. при поиске подходящего, в описании товара или при изучении документации/обсуждений это нужно учитывать.
эпсоны при том, что по той ссылке немного запчасти эпсоновские упоминались, но это не основное. основное - это то, что запчасти к принтерам или сканерам можгут оказаться наименее затратным вариантом по времени и стоимости. ещё продукция эпсона очень популярна, есть много информации в том числе и по лентам с оптопарам. искать от другой фирмы и не только для принтеров или сканеров, никто не запрещает. по поводу того, что в эпсонах все энкодеры на одинаковое разрешение, это не так. ленты есть с различным lpi и больше 180 в том числе. даже в устройствах с 180lpi лентой, легко могут стоять оптопары, рассчитанные на работу с 300lpi или 360lpi лентами.
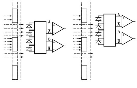
в общем всяких вариантов для энкодеров очень много и с аналоговыми датчиками и с цифровыми. самый простой вариант реализации энкодера это на оптопаре, где есть источник света и фотоприёмник, допустим светодиод и фотодиод/фототранзистор/фоторезистор/... к ним уже могут транзистор или простенькую схемку или даже сложную микросхему дальше прикручивать. в бюджетных принтерах и сканерах как раз очень популярны самые простые варианты аналоговых оптопар. только в даташитах на оптопары не всегда указывается lpi, как бы внимательно вы их не читали - вот нет и всё и вычисляй как хочешь под какую ленту их можно использовать. есть и всякие узкоспециализированные микросхемы "энкодеров", где внутри не один фотодиод/фототранзистор/фоторезистор/..., а несколько или вообще фотоматрица. так вот с последними как раз соотношение lpi ленты и итоговое разрешение энкодера не всегда 1к1, оно может и на порядок(ки) отличаться. сложность поиска, на сколько доставабельная микросхема или готовый датчик и сколько стоит может отличаться очень сильно. в зависимости от задачи вполне может оказаться, что не нужна лента с однорядными прямыми параллельными насечками и не стоит тужится выискивать оптопару или хитропопую микросхему/датчик "энкодер", а можно будет обойтись недорогой легкодоставабельной микросхемой. но вы же сразу не сочли нужным детальней всё описать, так что дальше сами, тем более многобуккафок вам не особо помогают.