
![]() |
roboforum.ruТехнический форум по робототехнике. |
|


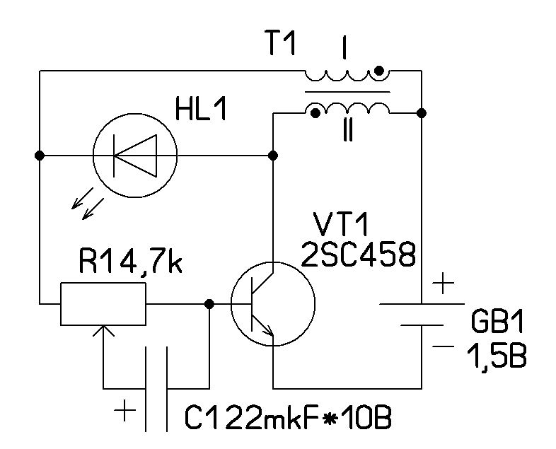
, в первой схеме диод засвечиваем енергией запасенной в катушке, во второй во время закрытия транзистораВернуться в Электроника, электротехника
Сейчас этот форум просматривают: нет зарегистрированных пользователей и гости: 4