Всем привет!
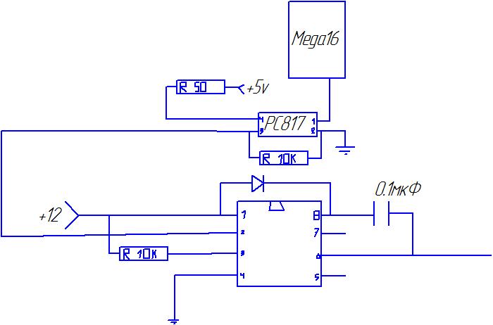
В общем собрал похожую схемку как на картинке: МК у меня мега 16, кнопок нет, транзисторы irf840, резисторы не ставил, конденсатор электролит 0,1мкФ, диод N4005 DS.
при включении питания на обоих плечах 0В, с осцилографом пока проблемы, приходится пользоваться просто мультиметром( но на ирку с мк сигнал приходит, это я успел посмотреть на осцилографе. Пробывал ставить другую ирку - таже ерунда.
Что еще может такое быть?

