|  | roboforum.ruТехнический форум по робототехнике. |  | 



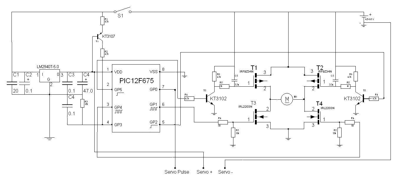
KiCom писал(а):наверняка есть такие микросхемки: 1 вход, 2 выхода (1 и 2 назовем их условно).

KiCom писал(а):Все транзисторы будут открываться 5 вольтами.
на моторе 12 вольт столько-же сколько и на истонике.
KiCom писал(а):если мотор влючать по мостовой схеме которую я прикреил выше то на моторе 9.7 вольт, в чем дело?


Обратите внимание !
Вы можете взять транзистор серии IRLxxx управляемый логическим уровнем - подключить его через резистор 20-100 Ом к ножке выходу МК и
управлять нагрузкой ампер 100 и вольт 50 в легкую !
KiCom писал(а):Вот что в курсе написано:Обратите внимание !
Вы можете взять транзистор серии IRLxxx управляемый логическим уровнем - подключить его через резистор 20-100 Ом к ножке выходу МК и
управлять нагрузкой ампер 100 и вольт 50 в легкую !
Я применяю как-раз такой транзистор а именно IRL3705N как раз такой серии. У МК как мне известно 5 вольт. Так что один транзистор открываеться а два паралельно нет?
KiCom писал(а):У меня и так мега16.

Вернуться в Электроника, электротехника
Сейчас этот форум просматривают: нет зарегистрированных пользователей и гости: 0