![]() |
roboforum.ruТехнический форум по робототехнике. |
|
мощный это круто и информативно! блин, ну это же не "кто хочет стать миллионером". вы хоть про тип мотора что-то напишите, о каких скоростях идёт речь + фото возможно поможет некоторые варианты сразу отбросить.Angel71 писал(а):варианты ответа:
1) сеткой
2) энкодером (куча вариантов)
3) удочкой
4) по эдс
5) руками
...
блин, ну это же не "кто хочет стать миллионером". вы хоть про тип мотора что-то напишите (мощный это круто и информативно), о каких скоростях идёт речь + фото возможно поможет некоторые варианты сразу отбросить.

elmot писал(а):не, не вариант. надо датчики ставить
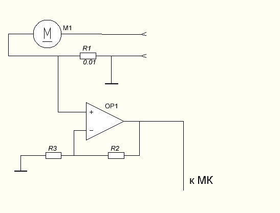
Dmitry__ писал(а):Схема стабилизации по пульсации тока коллектора. Абсолютная точность нужна?
http://electroprivod.ru/stabil.htm

Но контроллер нужен по-любому
NEOSoftWare писал(а):точность большая не нужна, 10% нормально
Вернуться в Электроника, электротехника
Сейчас этот форум просматривают: нет зарегистрированных пользователей и гости: 0