![]() |
roboforum.ruТехнический форум по робототехнике. |
|
Angel71 писал(а):
выкидываете джитаг, если не нужен и если не хотите помучаться добавляете штырьки или еще что, чтоб pa0..2 на плюс подключать.

Angel71 писал(а):
выкидываете джитаг, если не нужен и если не хотите помучаться добавляете штырьки или еще что, чтоб pa0..2 на плюс подключать.
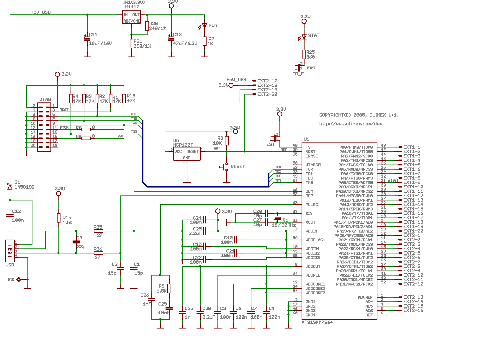
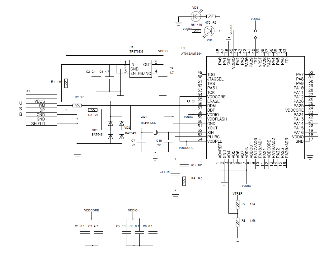
но в вашей схеме микропорцессор принадлежит самому программатору то есть это внутри программаторный микропроцессор/контроллер или все же это тот самый внешний микропроцессор который нужно прошивать. Еще раз извиняюсь если несу чепуху но все же с начинающими такое часто случается. Прошу конкретных ответов а то мозг может взорватся от неразберихи. Спасибо

! Советую обратить внимание. Стоимость компонентов - 6 баксов. Плюс нужно чем-то прошить внутренний stm32 (например программатором из отладочной платы stm32vldiscovery)Вернуться в Электроника, электротехника
Сейчас этот форум просматривают: нет зарегистрированных пользователей и гости: 0