Доброе время суток форумчанам !!!
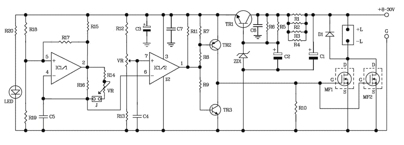
Здесь вот вопрос возник раньше пользовался схемой управляемого ШИМа приведенной ниже как К8004 в той схеме примечателен тот факт что ШИМ на выходе регулируется от внешнего устройства от 0-10В, на сегодняшний день мне предложили схемку обозначенную как MP301F соответственно у меня вопрос:
Вопрос 1: - где можно "врезатся" в схему MP301F что-бы вместо резистора VR(R14) управлять ШИМом при помощи внешнего сигнала 0-10В (с другого модуля) управлять электродвигателем на выходе +12-24В
Вопрос 2: - так-как электродвигатель должен постоянно менять направление вращения как можно менять направление движения (например если установить промежуточный 0 в данную схему скажем так -12В-->>0V<<--+12V
Спасибо за помощь.
Добавлено спустя 30 минут 2 секунды:
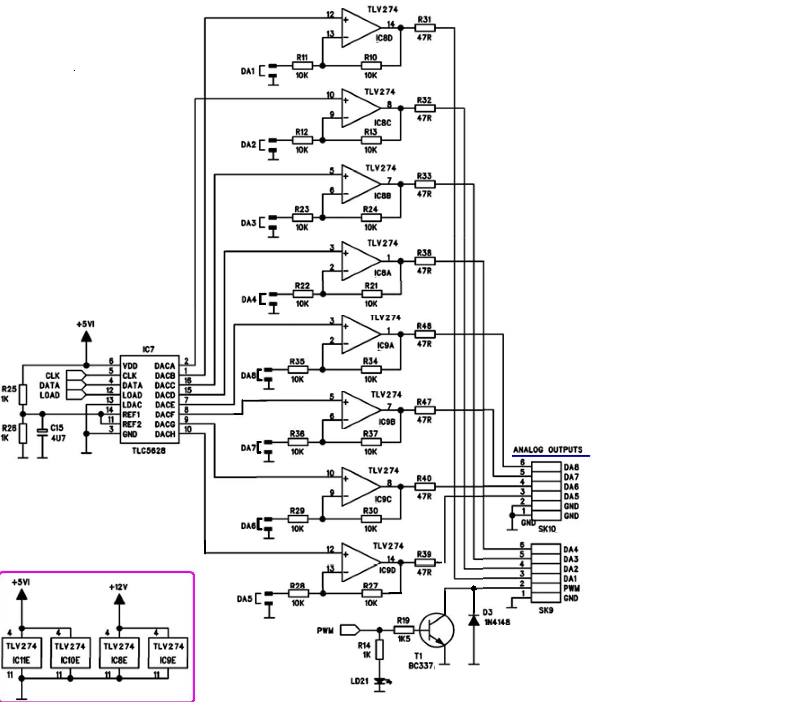
... А с другой стороны может намного проще сделать из аналогового сигнала 0-10В аналогово-цифровой преобразователь (ШИМ) и подключить на выходе MOSFET IRL540 как это показанно на схеме:

буду признателен за помощь, если не ошибаюсь можно подключится напрямую на входах к микросхемам TLV274 ?!
думаю по скайпу или мобильному более оперативно получится общение ?! моб: 89032618797