Вопрос по ШИМу (PWM)

Резисторы, транзисторы, конденсаторы, микросборки, чип компоненты ...
Вопросы согласования управляющих модулей с периферией.

Вопрос по ШИМу (PWM)

Сообщение Dizayner » 12 июн 2011, 15:32

Доброе время суток форумчанам !!!

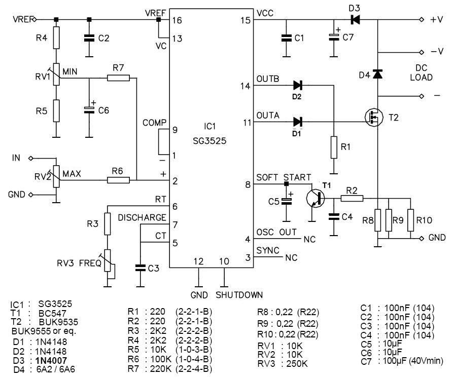
Здесь вот вопрос возник раньше пользовался схемой управляемого ШИМа приведенной ниже как К8004 в той схеме примечателен тот факт что ШИМ на выходе регулируется от внешнего устройства от 0-10В, на сегодняшний день мне предложили схемку обозначенную как MP301F http://www.masterkit.ru/main/set.php?code_id=543790 соответственно у меня вопрос:

Вопрос 1: - где можно "врезатся" в схему MP301F что-бы вместо резистора VR(R14) управлять ШИМом при помощи внешнего сигнала 0-10В (с другого модуля) управлять электродвигателем на выходе +12-24В

Вопрос 2: - так-как электродвигатель должен постоянно менять направление вращения как можно менять направление движения (например если установить промежуточный 0 в данную схему скажем так -12В-->>0V<<--+12V

Спасибо за помощь.

Добавлено спустя 30 минут 2 секунды:
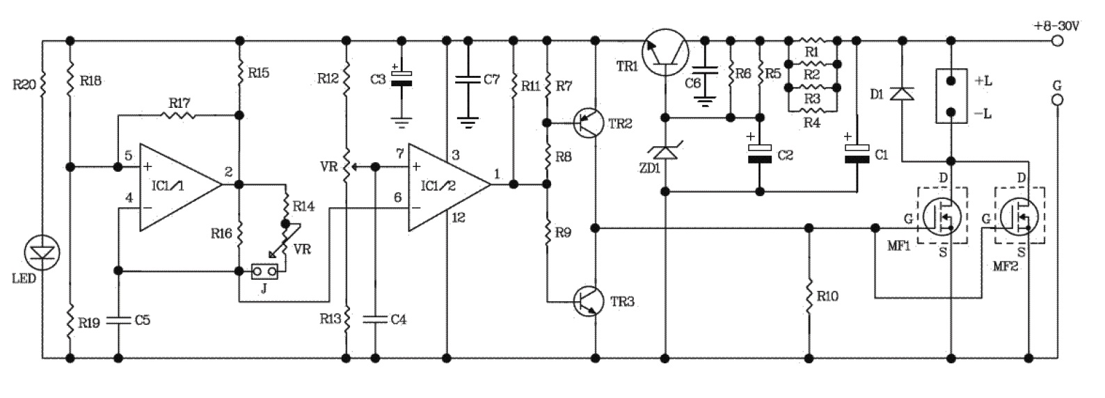
... А с другой стороны может намного проще сделать из аналогового сигнала 0-10В аналогово-цифровой преобразователь (ШИМ) и подключить на выходе MOSFET IRL540 как это показанно на схеме: http://proavr.narod.ru/z8.htm
Вложения
z8_080.gif
z8_080.gif (11.62 КиБ) Просмотров: 3056
MP301F.jpg
k8004.JPG
Dizayner
 
Сообщения: 148
Зарегистрирован: 26 дек 2005, 01:36
Откуда: Иордания

Re: Вопрос по ШИМу (PWM)

Сообщение =DeaD= » 12 июн 2011, 15:33

А откуда у вас берется аналоговый сигнал?
Проект [[Open Robotics]] - Универсальные модули для построения роботов
Аватара пользователя
=DeaD=
 
Сообщения: 24218
Зарегистрирован: 06 окт 2004, 18:01
Откуда: Ебург
прог. языки: C++ / PHP / 1C
ФИО: Антон Ботов

Re: Вопрос по ШИМу (PWM)

Сообщение Dizayner » 12 июн 2011, 15:43

=DeaD= писал(а):А откуда у вас берется аналоговый сигнал?
Вложения
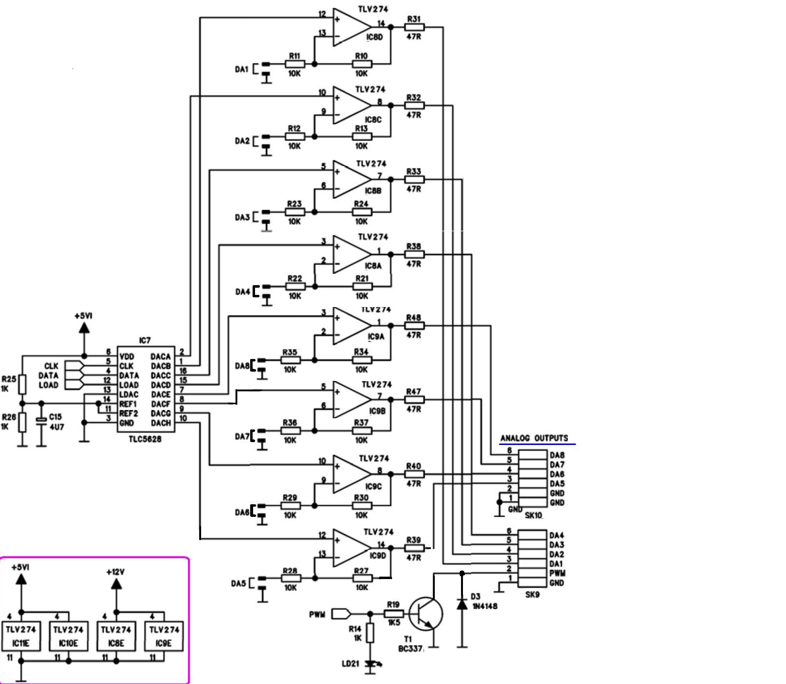
analog outputs.jpg
Dizayner
 
Сообщения: 148
Зарегистрирован: 26 дек 2005, 01:36
Откуда: Иордания

Re: Вопрос по ШИМу (PWM)

Сообщение =DeaD= » 12 июн 2011, 16:07

А какой смысл сначала цифру превращать в аналог, а потом аналог в ШИМ? Может спрямить угол?
Проект [[Open Robotics]] - Универсальные модули для построения роботов
Аватара пользователя
=DeaD=
 
Сообщения: 24218
Зарегистрирован: 06 окт 2004, 18:01
Откуда: Ебург
прог. языки: C++ / PHP / 1C
ФИО: Антон Ботов

Re: Вопрос по ШИМу (PWM)

Сообщение Dizayner » 12 июн 2011, 16:22

=DeaD= писал(а):А какой смысл сначала цифру превращать в аналог, а потом аналог в ШИМ? Может спрямить угол?

- я в электронике только учусь :) буду признателен за помощь, если не ошибаюсь можно подключится напрямую на входах к микросхемам TLV274 ?!
Dizayner
 
Сообщения: 148
Зарегистрирован: 26 дек 2005, 01:36
Откуда: Иордания

Re: Вопрос по ШИМу (PWM)

Сообщение =DeaD= » 12 июн 2011, 16:24

Откуда у вас берутся входы CLK, DATA, LOAD?
Проект [[Open Robotics]] - Универсальные модули для построения роботов
Аватара пользователя
=DeaD=
 
Сообщения: 24218
Зарегистрирован: 06 окт 2004, 18:01
Откуда: Ебург
прог. языки: C++ / PHP / 1C
ФИО: Антон Ботов

Re: Вопрос по ШИМу (PWM)

Сообщение Dizayner » 12 июн 2011, 16:31

=DeaD= писал(а):Откуда у вас берутся входы CLK, DATA, LOAD?

с программируемого микроконтроллера PIC18F2550I/SP а выше по схеме PIC16f871 через USB к компьютеру, именно с компа и должны управляться электродвигатели.

P.S. здесь forum11/topic7519.html схемку управления электродвигателем накопал, как ее можно задействовать в нашем случае ?
Вложения
2-h-brige1.gif
2-h-brige1.gif (4.95 КиБ) Просмотров: 3044
Dizayner
 
Сообщения: 148
Зарегистрирован: 26 дек 2005, 01:36
Откуда: Иордания

Re: Вопрос по ШИМу (PWM)

Сообщение =DeaD= » 12 июн 2011, 16:39

Так вот прямо с PIC и надо ШИМ выдавать, только я в PIC'ах не силён, конкретных советов давать не буду :)
Проект [[Open Robotics]] - Универсальные модули для построения роботов
Аватара пользователя
=DeaD=
 
Сообщения: 24218
Зарегистрирован: 06 окт 2004, 18:01
Откуда: Ебург
прог. языки: C++ / PHP / 1C
ФИО: Антон Ботов

Re: Вопрос по ШИМу (PWM)

Сообщение dccharacter » 12 июн 2011, 22:43

Го-тов по мочь авто.ру он пере пишет по-ст по нят, но он хо:чет
Мой волшебник это я сам. Всю архитектуру программы придумал лично, а ребята помогли воплотить её. Я бы и сам мог написать, но лень учить язык и его конструкции.
Аватара пользователя
dccharacter
 
Сообщения: 4995
Зарегистрирован: 10 дек 2010, 13:16
Откуда: Красногорск МО
прог. языки: C, Python, wiring/processing
ФИО: Андрей

Re: Вопрос по ШИМу (PWM)

Сообщение Dizayner » 13 июн 2011, 00:52

dccharacter писал(а):Го-тов по мочь авто.ру он пере пишет по-ст по нят, но он хо:чет


2 dccharacter
- спасибо за помощь :beer: думаю по скайпу или мобильному более оперативно получится общение ?! моб: 89032618797

P.S. На радиорынке нашел вот такое устройство IE-ZX-DCM2 http://www.chipdip.ru/product/ie-zx-dcm2.aspx пока разбираюсь как подключить его и насколько оно полезно ? если кто имел дело отпишитесь плз.
Dizayner
 
Сообщения: 148
Зарегистрирован: 26 дек 2005, 01:36
Откуда: Иордания


Вернуться в Электроника, электротехника

Кто сейчас на конференции

Сейчас этот форум просматривают: нет зарегистрированных пользователей и гости: 6