
![]() |
roboforum.ruТехнический форум по робототехнике. |
|

Alexus12 писал(а): Я Куру использую только чтобы модель повернуть и расположить на столе как надо - Кис этого не умеет
FoX87 писал(а):Принесли сегодня (ПРИБОР) замерили вроде сопротивления ) я не знаю как считать показания.... поэтому прикладываю фото
При этом не разбираться в снятии показаний со стрелочных приборов
Vlad-I писал(а):Alexus12 писал(а): Я Куру использую только чтобы модель повернуть и расположить на столе как надо - Кис этого не умеет
Кисслайсер очень даже умеет поворачивать модель - щелчок правой кнопки на модели в списке.

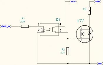
mkile писал(а):Во время экспериментов с выносом мосфетов управления нагревом стола наружу, я спалил мосфет или дорожку на D8, теперь он постоянно подает питание.
Бросил это грязное дело, поставил твердотельное реле и подсоединил его к D9. Только проблема в том, что видимо что-то в марлине у меня недонастроено, поскольку нагрев включается при установке температуры из меню принтера, но не останавливается, а продолжает греться и дальше. При установке нагрева из программы-хоста нагрев не идет. Видимо где-то что-то недонастроено. Температура отображается корректно.
Lotab писал(а):Здравствуйте.
У меня два вопроса.
Имеет ли смысл в качестве первого принтера брать китайский клон Ultimaker 2 вроде такого?
И стоит ли доплачивать за второй экструдер? Просто на этом форуме есть такая тема и как я понял, описанные в ней проблемы пока не имеют однозначного решения.
M@troskin писал(а):У меня вопрос по индуктивному датчику:
на али есть вот такой за 199 рублей, плюс доставка - итого 384 рубля:
http://ru.aliexpress.com/item/M12-2mm-s ... a9cf425901
а есть вот такой за 2 026 рублей
http://ru.aliexpress.com/item/Proximity ... a9cf425901
из видимых отличий - дешевый 4-проводной, а дорогой - 3-проводной.
Что мне рассказывать зеленой жабе, которая душит и хочет подешевле? где подвох?
mkile писал(а):Сейчас уже ни в чем, кроме того как переключить нагрев стола на другой пин, потому что даже такая схема требует рабочего управления, а у меня на D8 постоянно питание висит.
setar писал(а):не бери это Г. не работает оно
сам сделай forum107/topic15929.html
Вот тогда и заценю 
RomanST77 писал(а):Привет, коллеги! Что за прыщи у меня вылезают на поверхности? REC ABS, 235 градусов, минимальный обдув:
Alex Post писал(а):Вот мне интересно, если оно не работает, то отчего ж на том же тингиверсе куча моделей с крепежом этого сенсора...
setar писал(а):сам сделай forum107/topic15929.html
Сейчас этот форум просматривают: нет зарегистрированных пользователей и гости: 0