![]() |
roboforum.ruТехнический форум по робототехнике. |
|
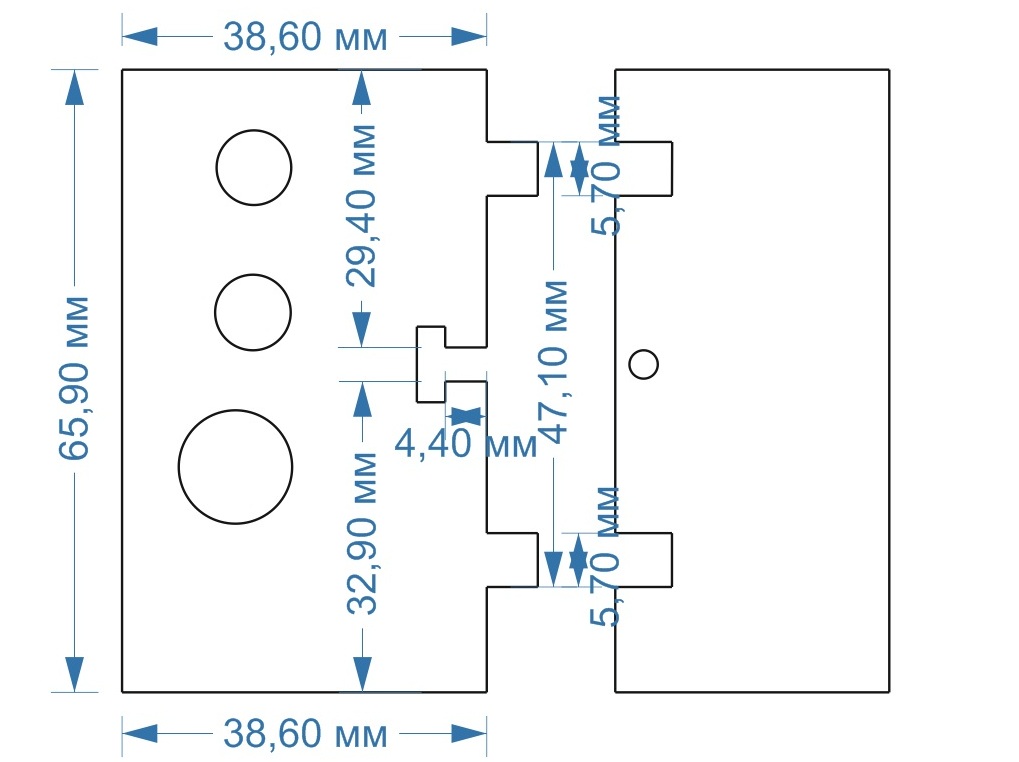
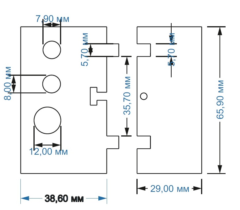
Как вариант можете сделать отверстия на 0,2 меньше, потом уже по факту сборки если что аккуратно довести их шкурочкой,
это гораздо лучше чем если в них направляющие будут болтаться изначально. Еще на лазере уточните (созвонитесь с ними) контура должны быть замкнуты или нет, просто одни берут с раскрытыми а другие требуют дабы были замкнуты.
Я когда свои чертежи скачал то сел их проверять, то что диаметер отверстий разный это фигня еще а вот то что они не соосны были порядка 1,5 мм это было круто, ну и еще по моему в 8-и местах ошибки несовпадения нашел. Тоже склоняюсь к мысли что делается специально кто то качнет не проверит, порежет а у него не сходиться одно с другим.

Toshik писал(а):Я дорабатывать проект более не планирую, т.к. перешел на Wilson версию Prusa i3
Сейчас этот форум просматривают: нет зарегистрированных пользователей и гости: 1