Модераторы: 1970DenisT, Dmitry__


, как только я не пытался подвесить программу, и с банкой, и быстрым хаотическим нажатием , и одновременным нажатием кнопок на двух пультах, всё безрезультатно
Ann писал(а):Пробовал прошивать брелок с помощью PicKit-2, шьётся, но не работает , как правильно вписать мануфактурник в оболочке программатора?

Ann писал(а):И ещё, расскажи поподробнее о выходе на 232 порт

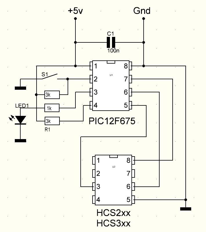
Dmitry__ писал(а):Надо допилить программатор, вынести мануфактурник и серийный номер в eeprom, как с декодером. Чтоб не компилить каждый раз.
Ннннада?
Busy писал(а):вот здесь можно заказать http://www.dalkon.ru/goods.php?id=2412


Dmitry__ писал(а):С меня всякие плюшки
Вернуться в КиберЗона - клуб боевых роботов
Сейчас этот форум просматривают: нет зарегистрированных пользователей и гости: 1