denykk писал(а):программу использую iCprog1.05
Ну, по скриншоту программы видно окно eeprom
http://www.ic-prog.com/
Надо загрузить прошивку в iCprog1.05, в окне eeprom появится информация предназначенная для записи в eeprom pic. Вот там и надо менять.
Вот тут есть описание окна eeprom
forum104/topic11831.html#p266164
дублирую:
выглядит так:
- Код: Выделить всё
00 EF CD AB 89 67 45 23 01 01 00 00 00 00 FF FF FF ....gE#. ........
Получается:
мануфактурный код: 0123456789ABCDEF
серийный номер: 01 00 00 00
режим декодера 00
Отличия от iCprog1.05 минимальны, кажись все понятно.
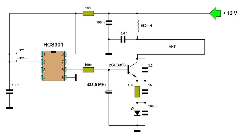
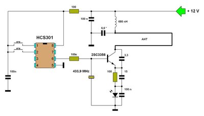
denykk писал(а):Вариант из автосигналки не устраивает т.к. нужна схема приемника под свою плату 15х30мм.
Да, мы не делали самодельного приемника, брали стандартные. Декодер получает низкочастотный сигнал с любого приемника. Приемники есть очень маленькие, например покупал такие:
http://roboparts.ru/products/4096432
Это и приемник и передатчик, по цене муки.

Если тебе не лень за цену в 80р. за комплект приемника/передатчика делать платы, то я завидую твоему свободному времени

denykk писал(а):Да я бы с радостью повторил вот только перелопатил всю тему (дважды все 8 страниц), так и не нашел этого варианта ткните носом пожалуйста.
Покупай приемник, все остальное ты нашел. Если есть какие-то хотелки, то можешь озвучить, ибо я пытаюсь довести этот проект до универсального применения. Благодаря этому форуму, прикрутил к декодеру триггерные/простые выходы, последовательный канал (т.е. можешь вообще использовать все что угодно, если программить умеешь, хоть на компе через переходник юсб/уарт)
Посмотрел MRF49, штука интересная, если она умеет хорошо ловить автобрелки, то можно прикрутить его к моему проекту. Но для этого нужна сильная мотивация и хороший пендаль мне

Добавлено спустя 10 минут 7 секунд:
Вот попиарю этих ребят, ибо покупал у них, цены смешные...
forum3/topic13240.html#p289076
брал и переходник USB-UART и приемники для этого проекта и мегадальнобойный передатчик на NRF24L01+


