
При подаче питания гонит данные на UART. То, что у меня получилось (собранное на макетке) из квартиры не ловит, но только вынес за окошко - сразу поймал 7 спутников и выдал правильные координаты

СВЧ - штука нежная и капризная. То, что относится к антенне, должно быть выполнено с соблюдением всех требований. Ну, можно сделать "на коленке", в конце концов, металлизацию между сторонами можно и прошивкой проводом сделать, но все ж - линия с нормированным волновым сопротивлением (для 50-омной линии на 1.6 mm текстолите - ширина 2.9 mm, землю "прошить", на дырках не экономить), посмотреть какой-нибудь референс для GPS (у ublox, например, прилично разрисовано, насколько помню). Я вот уложил на макетке пассивную антенну впритык к EB-500 - ничего не видит. Вынес ее на несколько сантиметров - сквозь стенку увидел...
И по питанию:
SMD, набрать 100+1000+u10+танталовый электролит. По даташиту в цифре 10n+электролит, в аналоге 100 pF+электролит. Для вящей уверенности набрать разных. "Землю" не жалеть. Макетку - сделать самому (резаком вполне процарапать можно). Не "сопливить" на стандартных 1/10" дырках тонким проводом, это верный путь к геморрою...
С даташитами у них странно дело обстоит - везде разные и один короче другого

Программка, которая парсит данные с uart есть сдесь: http://www.transystem.com.tw/product.php?b=G&m=pe&cid=4&sid=&id=62 называется EB-view(за ней - google maps).
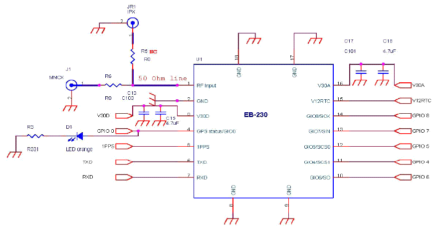
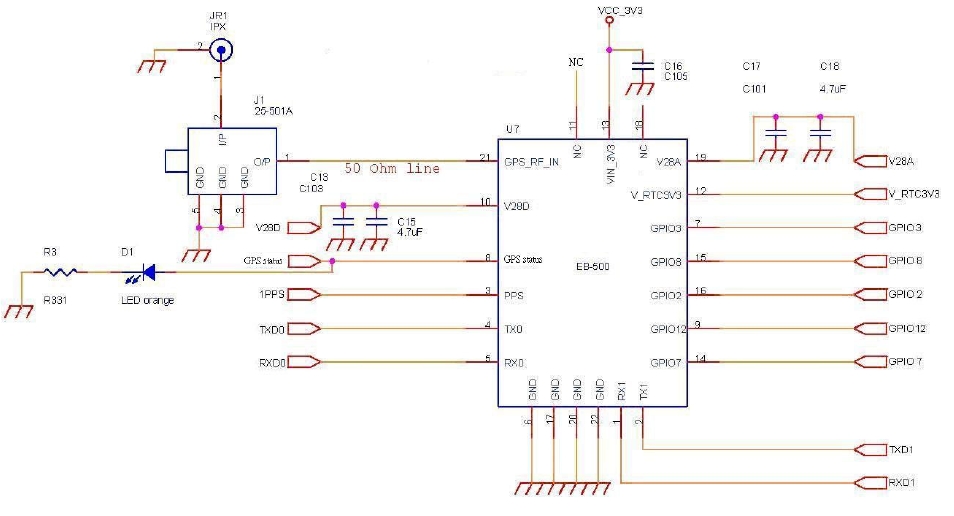
Подключение из даташита:
Разводка:
Заказывал на
http://www.kontest.ru/catalog/search/?q=eb-230 672 рубля
и активная антенна ANT GPS HM-NZ04 UFL-F 10CM за 268рэ.