RBM - Мыльные роботы наступают..

Наше хобби — конструировать и программировать.
Демонстрация готовых роботов и устройств построенных своими руками.

Re: RBM - Мыльные роботы наступают..

Сообщение wow-philip » 11 окт 2007, 14:12

Нашёл пару багов в плате.
Изображение

Написал тестовую прошивку для SM (Algorithm Builder v4.9), написано примитивно, потом на таймера повешу..
RBM test.zip
(1.03 КиБ) Скачиваний: 52


Ощущения приятные, это первый переделанный мною SM и первая попытка его раскрутить :-)
Изображение
Работает :-) что для меня очень приятно :-)
Аватара пользователя
wow-philip
 
Сообщения: 81
Зарегистрирован: 17 мар 2007, 02:04
Откуда: Москва

Re: RBM - Мыльные роботы наступают..

Сообщение XMaster » 11 окт 2007, 15:26

По поводу драверов безколлекторников.. Какой сигнал нужно/можно подавать на пятую ногу (PG IN), можно ли управлять направлением вращения??

..У TexasInstruments есть драйверы, но им, кажись, нужны датчики холла..
Аватара пользователя
XMaster
 
Сообщения: 55
Зарегистрирован: 03 сен 2007, 16:16
Откуда: Брянск

Re: RBM - Мыльные роботы наступают..

Сообщение wow-philip » 12 окт 2007, 01:35

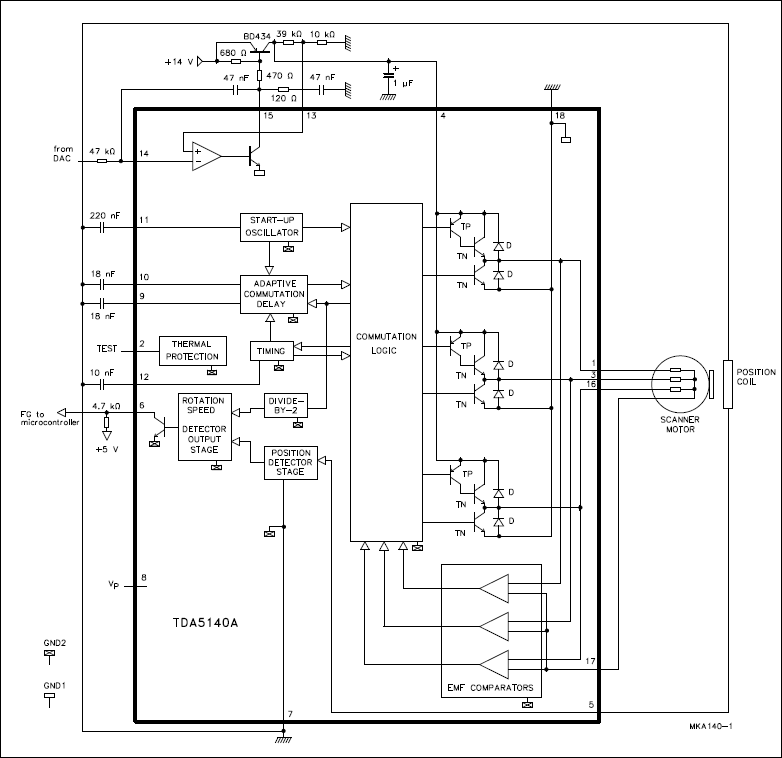
По TDA5140

На пятую ногу ничего подавать не надо, это вход от датчика магнитного поля (устанавливается опционально)..

Если хочется позаморачиваться, смотри по схеме
tda5140.png


Управлять направлением вращения нельзя, если только вручную менять любые два провода идущие к ногам 1-3-18..

Кратенько по TDA5140
Аватара пользователя
wow-philip
 
Сообщения: 81
Зарегистрирован: 17 мар 2007, 02:04
Откуда: Москва

Re: RBM - Мыльные роботы наступают..

Сообщение wow-philip » 13 окт 2007, 03:43

Решил немного упростить себе задачу с нагнетанием воздушного потока в выдувные элементы. Вот такую турбинку купил сегодня в Чип и Дипе, всего лишь за 72 руб. :-)
Изображение

Размеры конечно больше расчётных, хотелось сделать более миниатюрную машинку, но я думаю это не так критично..

Не удержался и наскорую руку модифицировал центробежный насос, установив два воздуховода.
Изображение

Запас по мощности примерно 20%, что вполне нормально.. :-)
Аватара пользователя
wow-philip
 
Сообщения: 81
Зарегистрирован: 17 мар 2007, 02:04
Откуда: Москва

Re: RBM - Мыльные роботы наступают..

Сообщение Master » 14 окт 2007, 13:37

Эта фигня называется бловер, если я не ошибаюсь.
Аватара пользователя
Master
 
Сообщения: 4468
Зарегистрирован: 21 дек 2006, 19:56
Откуда: Украина, г.Одесса
прог. языки: Delphi и С

Re: RBM - Мыльные роботы наступают..

Сообщение wow-philip » 14 окт 2007, 15:59

Master писал(а):Эта фигня называется бловер, если я не ошибаюсь.


Хорошо бы с названием определиться, а то гаджет есть а названия нет :-( - кулер как то не очень подходит, ближе всё же центробежный насос наверное..
Аватара пользователя
wow-philip
 
Сообщения: 81
Зарегистрирован: 17 мар 2007, 02:04
Откуда: Москва

Re: RBM - Мыльные роботы наступают..

Сообщение Myp » 14 окт 2007, 16:51

бловер это(blower)
узкий
есть такие же но в 2 слота ставятся
там поток больше
Аватара пользователя
Myp
скрытый хозяин вселенной :)
 
Сообщения: 18018
Зарегистрирован: 18 сен 2006, 12:26
Откуда: Тверь по прозвищу Дверь
прог. языки: псевдокод =) сила в алгоритме!
ФИО: глубокоуважаемый Фёдор Анатольевич

Re: RBM - Мыльные роботы наступают..

Сообщение wow-philip » 17 окт 2007, 01:54

Эх, время летит, вон и снег сыпет :-( Ну да ладно.. Это ж не мешает нам творить.. :-)

Видимо русская душа требует мощности :-) вот и решил немного разогнать бловер, перемотал обмотки статора заменил провод 0,04мм. на 0,18мм., мотал до заполнения примерно 60 витков
Изображение

Запустился нормально, но при 12V ток потребления был 0,96А, в общем не доглядел и спалил :-(
Изображение

Плюнул и пошёл проверенной дорогой, разобрал первый попавшийся хард и извлёк двигатель.
Изображение

Быстренько на макетке собрал драйвер бесколлекторника на TDA5140A
Изображение

Поколдавал с пусковым конденсатором и всё успешно запустилось :-)

Приступаем к интеграции двигателя и "улитки"
Изображение

Удаляем лишнее
Изображение

Приступаем к разбору крыльчатки, удаляем магнитное кольцо
Изображение

Срезаем лишние рёбра, и устанавливаем кольцо оставшееся от разбора "блинов"
Изображение

Собираем всё вместе
Изображение

Изображение

Габариты практически не изменились, двигатель выступает на 3мм.
Изображение

Запускаем :-)
Изображение

Есть небольшое биение, но всё исправимо.. :-)


Немного модифицируем улитку, отрезаем край на 1см., вытачиваем из плекса заглушку с двумя отверстиями под воздуховоды.
Изображение

Клеим
Изображение

Любуемся результатом
Изображение


Итоги:
Запас по мощности более чем двухкратный (развиваемые обороты пока не замерял), стабильное выдувание пузырей при 6,4V(0,2А)

Впечатления очень приятные, да и внешний вид мне нравится :-) из минусов - стоимость увеличилась на 97руб.(TDA5140A)
Аватара пользователя
wow-philip
 
Сообщения: 81
Зарегистрирован: 17 мар 2007, 02:04
Откуда: Москва

Пред.

Вернуться в Наши проекты

Кто сейчас на конференции

Сейчас этот форум просматривают: нет зарегистрированных пользователей и гости: 0

cron