roboforum.ru

Технический форум по робототехнике.

Система управления 3D-принтером с обратной связью в simulink

Обсуждение технологии печати на 3D принтерах. Самостоятельное изготовление и приобретение. RepRap и его последователи.

Система управления 3D-принтером с обратной связью в simulink

Сообщение Sofiko » 11 апр 2020, 00:42

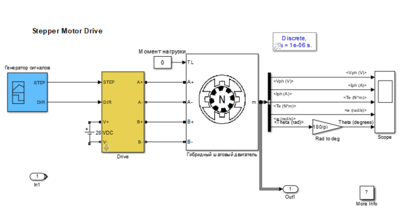
Всем доброго времени дня!Может кто подсказать, как правильно собрать схему в симулинке,чтобы получилась адекватная с использованием энкодеров на валу шаговика для отслеживания реального положения печатающей головки. В качестве subsystem использую встроенную модель шагового двигателя из библиотеки(не знаю, куда подключить in, и правильно ли стоит out).Правильно ли подсоединение энкодера,как на 2 картинке?
Вложения
2.png
1.png
Sofiko
 
Сообщения: 1
Зарегистрирован: 11 апр 2020, 00:39

Re: Система управления 3D-принтером с обратной связью в simu

Сообщение pdk » 12 апр 2020, 13:05

"Out" вывести с выхода "Theta".
"In" завести на генератор сигнала. Да его, тоже надо сделать: компаратор для DIR + преобразователь напряжение/частота для STEP.
pdk
 
Сообщения: 99
Зарегистрирован: 20 янв 2010, 16:48
Откуда: Королев
Skype: pdkdrp
ФИО: Антон


Вернуться в 3D печать

Кто сейчас на конференции

Сейчас этот форум просматривают: Google [Bot] и гости: 1

cron