Резисторы, транзисторы, конденсаторы, микросборки, чип компоненты ...
Вопросы согласования управляющих модулей с периферией.
	
		
		
			
			
			 sergKyrnosov » 08 июл 2014, 17:23
 sergKyrnosov » 08 июл 2014, 17:23 
			
			Здравствуйте.
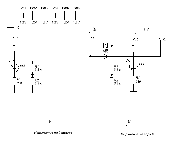
Помогите подобрать диоды для данной схемы.
Через них будет подаваться напряжение для заряда аккумуляторов.
Аккумуляторы Ni-Mh 3000 6 шт.
Схема во вложении.
Заранее спасибо.
			
				
					- Вложения
- 
		
			 
- 11.GIF (9.02 КиБ) Просмотров: 2519
 
 
		
			
			- 
				sergKyrnosov
			
-  
- Сообщения: 157
- Зарегистрирован: 02 апр 2012, 12:24
- Откуда: г.Астрахань
- прог. языки: 1С, С#
- ФИО: Сергей Курносов
 
	 
	
	
		
		
			
			
			 Madf » 08 июл 2014, 17:29
 Madf » 08 июл 2014, 17:29 
			
			А R1 вы подобрать не желаете, а то как-то для 9В многоватый ток на светодиоде получается.
			
		 
		
			
			- 
				Madf
			
-  
- Сообщения: 3298
- Зарегистрирован: 03 янв 2012, 12:55
- Откуда: Москва
- прог. языки: VB6, BASCOM, ASM...
- 
				
			
 
	 
	
	
		
		
			
			
			 sergKyrnosov » 08 июл 2014, 17:35
 sergKyrnosov » 08 июл 2014, 17:35 
			
			ошибка 750 ом должно быть
			
		 
		
			
			- 
				sergKyrnosov
			
-  
- Сообщения: 157
- Зарегистрирован: 02 апр 2012, 12:24
- Откуда: г.Астрахань
- прог. языки: 1С, С#
- ФИО: Сергей Курносов
 
	 
	
	
		
		
			
			
			 avr123.nm.ru » 09 июл 2014, 09:34
 avr123.nm.ru » 09 июл 2014, 09:34 
			
			диоды по току зарядки, до 1 Ампера подойдут популярные 1n400x
			
		 
		
			
			- 
				 
 avr123.nm.ru
- отсылающий читать курс
-  
- Сообщения: 14195
- Зарегистрирован: 06 ноя 2005, 04:18
- Откуда: Москва
- Предупреждения: -8
- 
				
			
 
	 
	
	
		
		
			
			
			 Myp » 09 июл 2014, 16:42
 Myp » 09 июл 2014, 16:42 
			
			раз никаких требований не озвучено, то диоды можно брать любые какие есть 

 
		
			
			- 
				 
 Myp
- скрытый хозяин вселенной :)
-  
- Сообщения: 18018
- Зарегистрирован: 18 сен 2006, 12:26
- Откуда: Тверь по прозвищу Дверь
- прог. языки: псевдокод =) сила в алгоритме!
- ФИО: глубокоуважаемый Фёдор Анатольевич
- 
				
			
 
	 
	
	
		
		
			
			
			 sergKyrnosov » 09 июл 2014, 17:02
 sergKyrnosov » 09 июл 2014, 17:02 
			
			А какие требования нужны ?
			
		 
		
			
			- 
				sergKyrnosov
			
-  
- Сообщения: 157
- Зарегистрирован: 02 апр 2012, 12:24
- Откуда: г.Астрахань
- прог. языки: 1С, С#
- ФИО: Сергей Курносов
 
	 
	
	
		
		
			
			
			 Myp » 09 июл 2014, 17:06
 Myp » 09 июл 2014, 17:06 
			
			сезон отпусков понимаешь...
бригада телепатов ушла в отпуск полным составом
никто не знает какие требования тебе нужны 

 
		
			
			- 
				 
 Myp
- скрытый хозяин вселенной :)
-  
- Сообщения: 18018
- Зарегистрирован: 18 сен 2006, 12:26
- Откуда: Тверь по прозвищу Дверь
- прог. языки: псевдокод =) сила в алгоритме!
- ФИО: глубокоуважаемый Фёдор Анатольевич
- 
				
			
 
	 
	
	
		
		
			
			
			 sergKyrnosov » 09 июл 2014, 17:19
 sergKyrnosov » 09 июл 2014, 17:19 
			
			Может я чего то не понимаю (это скорее всего), но вроде на схеме все есть.
			
		 
		
			
			- 
				sergKyrnosov
			
-  
- Сообщения: 157
- Зарегистрирован: 02 апр 2012, 12:24
- Откуда: г.Астрахань
- прог. языки: 1С, С#
- ФИО: Сергей Курносов
 
	 
	
	
		
		
			
			
			 Myp » 09 июл 2014, 18:56
 Myp » 09 июл 2014, 18:56 
			
			ну если всё есть, зачем тогда спрашивать? 

 
		
			
			- 
				 
 Myp
- скрытый хозяин вселенной :)
-  
- Сообщения: 18018
- Зарегистрирован: 18 сен 2006, 12:26
- Откуда: Тверь по прозвищу Дверь
- прог. языки: псевдокод =) сила в алгоритме!
- ФИО: глубокоуважаемый Фёдор Анатольевич
- 
				
			
 
	 
	
	
	
	Вернуться в Электроника, электротехника
	
	Кто сейчас на конференции
	Сейчас этот форум просматривают: нет зарегистрированных пользователей и гости: 0