Radist » 20 апр 2010, 12:00
Что-то я разочаровался в последнее время в солнечных батарейках и вибромоторчиках. То солнца нет, то моторчики не тянут. В общем, хочу предложить схему еще одного бима. За основу была взята эта схема, поэтому и продолжаю в этой ветке.
Что умеет этот робот: ездить и плавными поворотами искать источник света, при нахождении едет прямо на него, на ярком свету останавливается. Кушает батарейку/аккумулятор, если во что упрется - будет тупо стоять. Теперь что предлагаю я.
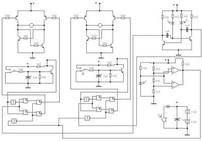
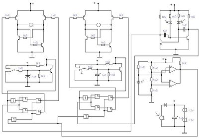
У робота будут три режима работы: спячка, охота за пищей (за светом) и питание. Эту задачу выполняет один фотодиод и двухпороговый компаратор. У робота будут усы (и как следствие возможность реверса моторов) - а значит объезд препятствий. И самое главное - он не будет просто нежиться на солнышке - он будет заряжать аккумуляторы. Схема перед вами, рассказываю как и что работает. Пусть не смущает, что деталек достаточно много - схема простая (и может быть мы вместе сумеем ее еще больше упростить). Схему я еще не рассчитывал, на номиналы внимание не обращаем. Поехали.
Рассмотрим левый верхний угол. Ничего нового - обычный мост, вы эту схему сто раз видели. Главное, чтобы на управление не пришло два нуля, иначе будет сквозняк. Разные сигналы - вращение в разные стороны, две единицы - отключение мотора.
Под мостами расположены две идентичные схемы усов. Ус не нажат - на выходе единица, нажат - ноль (с задержкой после отпускания уса, регулируется резистором, параллельным конденсатору).
В верхнем правом углу часть схемы, которую я назвал ШИМ-модулятором. Она выдает два ШИМ сигнала (в противофазе), скважность зависит от освещенности (лучше освещенный фотодиод, подключенный к базе, уменьшает длительность импульсов в коллекторе).
Теперь рассмотрим логические схемы управления мостами (одну из них, они идентичные). На входе три сигнала: ШИМ, сигнал от уса, сигнал от глаза освещенности. На выходе два сигнала на управление мостом: 01, 10, 11.
Справа в центре схема определения освещенности. Если режим охоты за светом - на выходе ноль, в двух других режимах на выходе 1.
В нижнем правом углу схема питания. Солнечная батарея на 3 В. Перезаряда не будет.
Почему я не стал делать реверс на релюшках? Причин несколько:
- у меня их нет
- их нет в рядом расположенных магазинах
- схема на релюшках уже была, мне не хочется просто копировать, мне хочется придумать что-то новенькое.
Жду конструктивную критику.
ЗЫ. Правильно ли я понимаю, что левый ус должен реверсировать правый мотор?
- Вложения
-
