Насчет питания можно много чего придумать - ведь есть повышающие импульсные преобразователи. Кпд достаточно высокий у них - 70% без оптимизации легко получить. А ставить кучу банок - это же большой вес (хотя для пылесоса это плюс, в каких-то пределах). Опять же цена кусается.
Добавлено спустя 5 минут 10 секунд:
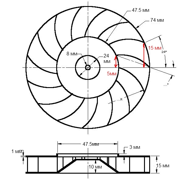
Насчет чертежа турбины - тоже попробую начертить по имеющимся данным. Где-то на форуме я читал, что малое число сильно закрученных лопаток - создают большую тягу, что для пылесоса предпочтительнее. А большое число коротких лопаток - оптимально для прокачки воздуха по длинным воздуховодам. Не знаю насколько это правда.

Я буду пытаться построить копию по его прототипу 
так что при испытаниях берегите пальцы !!!
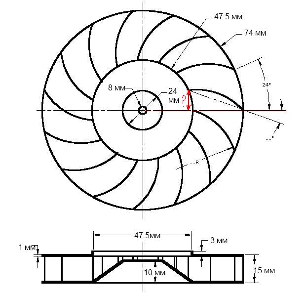
Нам бы с Radist-oм поточнее этот угол (или расстояние внутреннего конца лопатки до линии диаметра, см. рисунок). На фото дык ваще там чуть ли не 30град! 
