-= Александр =- писал(а):mexxR-73 писал(а):Подскажите! купил RGB ленту ! Она нормально горит от 12 вольт! А на каждом канале эмбилайта по 5 в!
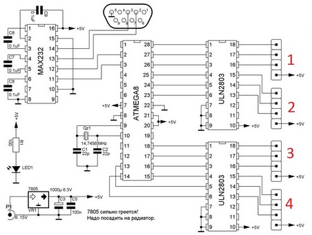
К чему подключишь 10ый вывод ULNки - то на выходе и будет...

Позволю не согласиться ! ULNки все равно к какому питанию подключена,там-же только ключи дарлингтоновские.А вот общий анод ленты напрямую к 12 вольтам,и все ок ! 10ый вывод ULNки можно никуда и не подключать,нет там такой необходимости.Но я подстраховался и кинул на +12 вместе с диодами.
скажите, по схеме на выходе светиков общий анод и 3 катода. Что делать если всё наоборот, на светодиодной ленте общий катод и 3 анода. Как сее чудо подключить?
Думаю что тут поможет только аппаратные инверторы к выходам ULNки
[img]img]
вывод резистора Р3 к выходу ULNки,колектор Q10 к соответственному цвету ленты.Общ катод ленты на массу.R1 R2 Q8 к данному делу не относятся