![]() |
roboforum.ruТехнический форум по робототехнике. |
|
должна. я конечно уйдя по уши за последний год в программирование комповых программ стал малось подзабывать электронику, но. у обычных конденсаторов точность 5%, а это значит, что 22пф в реальности где-то между 21 и 23, а 24 это примерно 23..25. второе, по памяти можно использовать конденсаторы вплоть до 27пф
ну оть, более сведущий человек грит, что даже до 33. так, что смело паяйте
mexxR-73 писал(а):Подскажите! купил RGB ленту ! Она нормально горит от 12 вольт! А на каждом канале эмбилайта по 5 в!

-= Александр =- писал(а):mexxR-73 писал(а):Подскажите! купил RGB ленту ! Она нормально горит от 12 вольт! А на каждом канале эмбилайта по 5 в!
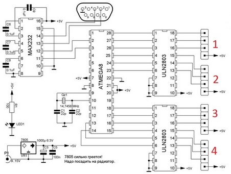
К чему подключишь 10ый вывод ULNки - то на выходе и будет...
Сейчас этот форум просматривают: нет зарегистрированных пользователей и гости: 0