
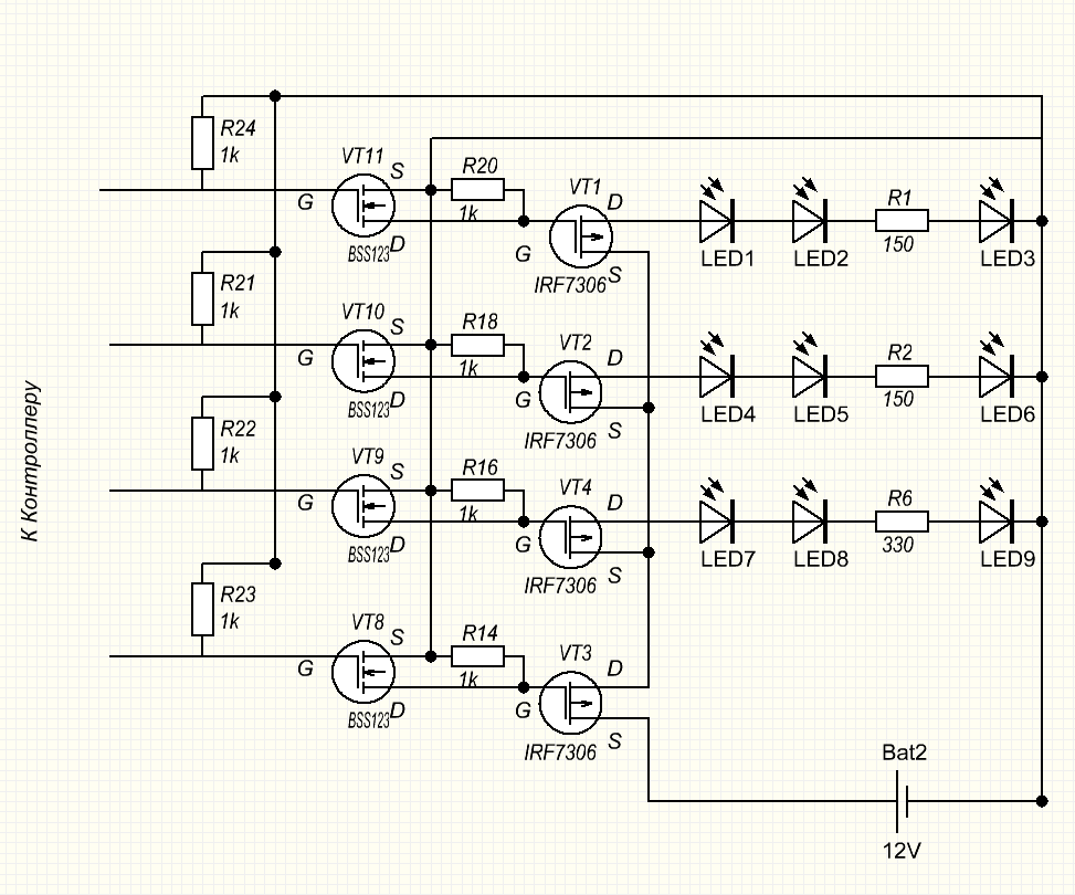
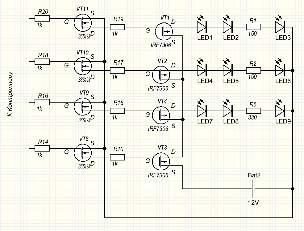
Ща, нарисую.
![]() |
roboforum.ruТехнический форум по робототехнике. |
|


Duhas писал(а):я о VT3

pashteet писал(а):Он будет яркостью управлять в режиме ШИМ

yak-40 писал(а):Три мосфета, и фсё
эт чтоб примерно вот так компактненько было?Сейчас этот форум просматривают: нет зарегистрированных пользователей и гости: 0