Разработку версии ДД 12в на N-канальных МОСФЕТах простановил - получается громоздко, сложно, и возможно - нерентабельно.
Все равно доволен проделанной работой - много вспомнил, еще большему научился. Получил некоторый опыт работы с мосфетами, драйверами, степ-ап'ами, поектированием плат и их изготовления ЛУТом. Теперь лучше представляю что такое "наведенная" (реактивная) ЭДС вращающегося по инерции даже "среднемощного" электродвигателя ("motor back EMF", вроде).
Хотелось довести дело до логического завершения (иначе результата точно не добиться) и двигаться дальше или вовремя остановиться, если есть сомнения в целесообразности.
ДД на прототипе пылесоса сгорели еще в декабре, тогда и начал "вентилировать" тему.
Ради любопытства сфотал процесс в начале марта
и в начале апреля (печатная плата была раньше сделана)
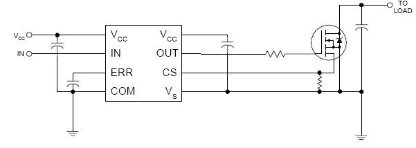
это - конечный вариант

- DD-V1-6V_14V-4A_10A-board-9.jpg (65.82 КиБ) Просмотров: 240221
Спасибо всем, кто помогал советами и поддержкой. Желаю всем получать столько же позитива от проделанных работ
