Приятный детский мультик - есть в нем нечто созерцательное
![]() |
roboforum.ruТехнический форум по робототехнике. |
|

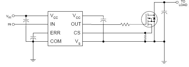
Сделал на биполярных транзисторах - но огород там получился нехилый - по 4 транзистора на каждый верхний затвор...There are four single channel devices which incorporate current sensing. The IR2121 and
IR2125 are low and high side drivers respectively... The IR2127 and IR2128 are both high side drivers (IR2127-active high input/ IR2128 active low input )
Существуют четыре одноканальных устройства со встроенным сенсором тока. IR2121 и IR2125 драйвера соответственно нижнего и верхнего плеч... IR2127 и IR2128 драйвера верхнего плеча (IR2127-активный высокий уровень на входе/ IR2128 активный низкий уровень на входе)

Феррари и хаммеры там самыми невзрачными выглядят
SMT писал(а):Может и байка, а есть в ней кой-какая полезность.
Этой зимой приехал домой, припарковался задом к сугробу вплотную, не заметил что выхлопной трубой в сугроб въехал. Труба горячая была, снег в ней расплавился, а потом замёрз.
Утром вышел, как ни в чём не бывало сажусь в машину, она завелась, секунд 5 поработала и всё! Так вот я эту ледяную пробку ели-ели выбил оттуда. Сначала внутрь, как пробку в бутылке пропихнул, потом заводить машину начал, она как стрельнет от туда 

Сейчас этот форум просматривают: нет зарегистрированных пользователей и гости: 0