roboforum.ru

Технический форум по робототехнике.


Angel71

Блоги посетителей.
Правила форума
В данном разделе каждый может иметь не более одной темы. Тема должна начинаться с логина (ника) робофорума.

Re: Angel71, флудилка

Сообщение Grem » 12 июн 2010, 13:48

example OpenCV.
"There is nothing better than sliding down snow and flying through the air" (с) Shane McConkey.
Lieber ein Brett am Fuß als eins vorm Kopf, aber lieber ein Brett vorm Kopf als zwei am Fuß.
Аватара пользователя
Grem
 
Сообщения: 1530
Зарегистрирован: 16 май 2009, 12:50
Откуда: Россия
прог. языки: Java, C

Re: Angel71, флудилка

Сообщение Angel71 » 16 июн 2010, 18:34

замурчательные галереии http://forums.cgsociety.org/forumdisplay.php?f=138
вот парочка понравившихся работ:
280765.jpg
280765.jpg (18.22 КиБ) Просмотров: 2574

http://forums.cgsociety.org/showthread.php?f=132&t=892648
SpiderStillFrame.jpg
SpiderStillFrame.jpg (16.9 КиБ) Просмотров: 2559

http://forums.cgsociety.org/showthread.php?t=548722
там же по ссылке есть видео движения
Аватара пользователя
Angel71
 
Сообщения: 10668
Зарегистрирован: 18 апр 2009, 22:18
Предупреждения: -1

Re: Angel71, флудилка

Сообщение Angel71 » 18 июн 2010, 02:44

7087_scheme346.gif
7087_scheme346.gif (9.26 КиБ) Просмотров: 2562

http://www.computerra.ru/terralab/peripheral/419696/
Аватара пользователя
Angel71
 
Сообщения: 10668
Зарегистрирован: 18 апр 2009, 22:18
Предупреждения: -1

Re: Angel71, флудилка

Сообщение Michael_K » 18 июн 2010, 04:43

Сам элемент прикольный.
Все остальные псевдоученые слова высосаны из пальца...
Аватара пользователя
Michael_K
 
Сообщения: 6028
Зарегистрирован: 07 окт 2009, 00:29
Откуда: СПб

Re: Angel71, флудилка

Сообщение Angel71 » 19 июн 2010, 18:54

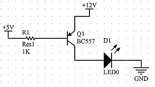
тоска смертная нападает, решил отбиваться созданием чего-нибудь светящегося. пытаясь вспомнить схемы включения транзисторов спаял тестово вот так
Untitled-1.jpg

работает. но мучают сомнения, всё ли правильно (т.е., если что неправильно, не нагнётся ли через время)?
П.С. 12ти вольтовая ргб лента, с общим катодом. буду управлять мегой.
Аватара пользователя
Angel71
 
Сообщения: 10668
Зарегистрирован: 18 апр 2009, 22:18
Предупреждения: -1

Re: Angel71, флудилка

Сообщение Michael_K » 19 июн 2010, 19:17

ток через светик неограничен
Аватара пользователя
Michael_K
 
Сообщения: 6028
Зарегистрирован: 07 окт 2009, 00:29
Откуда: СПб

Re: Angel71, флудилка

Сообщение Angel71 » 19 июн 2010, 19:18

:oops: резисторы в ленте есть.
Аватара пользователя
Angel71
 
Сообщения: 10668
Зарегистрирован: 18 апр 2009, 22:18
Предупреждения: -1

Re: Angel71, флудилка

Сообщение Michael_K » 19 июн 2010, 19:42

а зачем транзистор ващще?
Аватара пользователя
Michael_K
 
Сообщения: 6028
Зарегистрирован: 07 окт 2009, 00:29
Откуда: СПб

Re: Angel71, флудилка

Сообщение Angel71 » 19 июн 2010, 19:52

буду делать фоновую подсветку, регулируя цвета мегой. а это так, тестово спаял. :oops: за последний год очень мало схемок делал, в основном готовые разводил и травил - почти всё позабывалось
Аватара пользователя
Angel71
 
Сообщения: 10668
Зарегистрирован: 18 апр 2009, 22:18
Предупреждения: -1

Re: Angel71, флудилка

Сообщение Michael_K » 19 июн 2010, 20:00

ну транзистор тут вечно открыт
Аватара пользователя
Michael_K
 
Сообщения: 6028
Зарегистрирован: 07 окт 2009, 00:29
Откуда: СПб

Re: Angel71, флудилка

Сообщение Angel71 » 19 июн 2010, 20:08

:oops: тут да, но на плате будет вход подключен не к +5, а к выходу с меги. или я всё-равно накосорезил?
Аватара пользователя
Angel71
 
Сообщения: 10668
Зарегистрирован: 18 апр 2009, 22:18
Предупреждения: -1

Re: Angel71, флудилка

Сообщение Michael_K » 19 июн 2010, 20:17

вот он и будет вечно открыт... накосорезил, ага...
Аватара пользователя
Michael_K
 
Сообщения: 6028
Зарегистрирован: 07 окт 2009, 00:29
Откуда: СПб

Re: Angel71, флудилка

Сообщение Angel71 » 20 июн 2010, 18:00

:( аха, вечно открыт. много вчера перечитал, перепробовал, теперь вообще каша полная в голове. :cry: неполучаетса. для лент с общим анодом на 546 + 2 пезюка всё прекрасно и понятно, а тут... :oops: подскажите, как правильно
Аватара пользователя
Angel71
 
Сообщения: 10668
Зарегистрирован: 18 апр 2009, 22:18
Предупреждения: -1

Re: Angel71, флудилка

Сообщение Duhas » 20 июн 2010, 18:04

мона П канал верх, и тягать его затвор вниз Н каналом, или другим транзюком...
«Как сердцу выразить себя? … Мысль изреченная есть ложь!»
В этом мире меня подводит доброта и порядочность...
"двое смотрят в лужу, один видит лужу, другой отраженные в ней звезды"
Аватара пользователя
Duhas
 
Сообщения: 6338
Зарегистрирован: 15 сен 2007, 13:03
Откуда: Красноярск
прог. языки: ASM(МК), C(PC)
ФИО: Гагарский Андрей Александрович

Re: Angel71, флудилка

Сообщение Angel71 » 20 июн 2010, 18:14

это вот примерно так?
img.gif
img.gif (2.26 КиБ) Просмотров: 2485

:oops: очень хотса на одном транзисторе. на днях буду заказывать UDN2981, но хотелось бы на будещее знать как на транзисторе делать
Аватара пользователя
Angel71
 
Сообщения: 10668
Зарегистрирован: 18 апр 2009, 22:18
Предупреждения: -1

Пред.След.

Вернуться в Блоги

Кто сейчас на конференции

Сейчас этот форум просматривают: нет зарегистрированных пользователей и гости: 0

cron