roboforum.ru

Технический форум по робототехнике.


galex1981 - блог (Serial RAM)

Блоги посетителей.
Правила форума
В данном разделе каждый может иметь не более одной темы. Тема должна начинаться с логина (ника) робофорума.

galex1981 - блог (Serial RAM)

Сообщение galex1981 » 03 янв 2010, 11:33

Тоже подумал создать свой блог. Думаю здесь писать, как и некоторые заметки чтоб не потерялись...
Последний раз редактировалось galex1981 18 окт 2010, 13:01, всего редактировалось 8 раз(а).
if(!Operate) Read(pDatasheet);
Аватара пользователя
galex1981
 
Сообщения: 4363
Зарегистрирован: 04 дек 2008, 22:44
Откуда: Камышин
Skype: galk-aleksandr1
прог. языки: Kotlin, Java, C, C++, Assm, BasCom, VB, php
ФИО: Галкин Александр Владимирович

Re: galex1981 - блог

Сообщение galex1981 » 13 янв 2010, 01:13

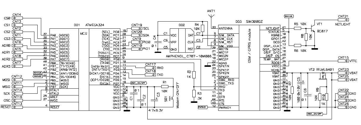
Сегодня занимался изучением GSM модема на бахе чипа SIM300DZ (продается у Эда http://shop.minibot.ru/category_36.html)
В итоге сделал для этой платы некую терминалку, чтобы можно было работать с модемом посредством АТ-команд.
Для работы модема с терминалкой, делаем следующие действия:
1)К плате модема на ноги CNT17 и CNT18 подключаем ноги RXD иTXD модуля с MAX232 или FT232 чтобы можно было работать с устройством через СОМ порт
2)Запускаем терминал со скоростью 19200 Кбит/с без управления потоком
2)Включаем модем нажатием кнопки на плате, после появления сообщения OK можно работать с модемом посредством AT-комманд
3)Выключаем модем нажатием на кнопку на плате
4)Ждем пока появится сообщение REBOOT!
5)Тогда можно отключить питание модема.

Ни в коем случае нельзя отключать питание от работающего модема потому как у него может слететь внутренняя микропрограмма!

В общем выкладываю файлы
Вложения
sim300d_atc_v1.06.pdf
система АТ комманд модема
(1.58 МиБ) Скачиваний: 11
project.rar
прошивка на мегу32
(8.9 КиБ) Скачиваний: 14
sim300_gprs_2.gif
sim300_gprs-2_2.jpg
sim300_gprs-1_2.jpg
if(!Operate) Read(pDatasheet);
Аватара пользователя
galex1981
 
Сообщения: 4363
Зарегистрирован: 04 дек 2008, 22:44
Откуда: Камышин
Skype: galk-aleksandr1
прог. языки: Kotlin, Java, C, C++, Assm, BasCom, VB, php
ФИО: Галкин Александр Владимирович

Re: galex1981 - блог (модем SIM300DZ)

Сообщение MiBBiM » 13 янв 2010, 01:17

классно) вот только простенькая мобилка дашевше стоит :wink:
кстати, если у него часто слетает прошивка, то почему бы не сделать сервис-режим для меги, который накатывает её заново?
Tomorrow will be. Better
Аватара пользователя
MiBBiM
 
Сообщения: 1866
Зарегистрирован: 29 окт 2007, 18:11
Откуда: Пермь
прог. языки: Brainfuck/Basic/Delphi/C++/Lisp/x86asm/JavaScript

Re: galex1981 - блог (модем SIM300DZ)

Сообщение galex1981 » 13 янв 2010, 01:23

Мобилка конечно дешевле стоит ;) но иногда требуется сам модем чтобы железка связывалась например с интернетом - это во первых. Во вторых, у этого модема интерфейс UART что очень удобно для своих разработок.
По поводу того что слетает прошивка, эта беда оказывается есть и у GSM модемов которые подключаются к ПК, в наших условиях она не решается, насколько я из обзоров читал. Но в своей прошивке на мегу максимально обезопасил SIM300DZ от того чтобы прошивка не слетела - вопрос стоит только во внешнем питании. У меня стоит аккумулятор от Siemens, при тестировании даже при разряде аккума - возникает от самого модема сообщение о разряде и ты сам можешь легко отключить модем, нажатием кнопки. В общем при питании от аккумулятора риск невелик потерять прошивку
if(!Operate) Read(pDatasheet);
Аватара пользователя
galex1981
 
Сообщения: 4363
Зарегистрирован: 04 дек 2008, 22:44
Откуда: Камышин
Skype: galk-aleksandr1
прог. языки: Kotlin, Java, C, C++, Assm, BasCom, VB, php
ФИО: Галкин Александр Владимирович

Re: galex1981 - блог (модем SIM300DZ)

Сообщение EdGull » 13 янв 2010, 09:26

1. Паша, покажи мне телефон с TCP/IP стеком дешевле SIM300 :wink:
2. не так уж часто она слетает
Аватара пользователя
EdGull
 
Сообщения: 10211
Зарегистрирован: 28 дек 2004, 20:33
Откуда: Тольятти
Skype: Ed_Gull
прог. языки: Bascom AVR Basic
ФИО: Гуль Эдуард Викторович

Re: galex1981 - блог (модем SIM300DZ)

Сообщение MiBBiM » 13 янв 2010, 14:03

ну да, загвоздочка :oops:
Tomorrow will be. Better
Аватара пользователя
MiBBiM
 
Сообщения: 1866
Зарегистрирован: 29 окт 2007, 18:11
Откуда: Пермь
прог. языки: Brainfuck/Basic/Delphi/C++/Lisp/x86asm/JavaScript

Re: galex1981 - блог (модем SIM300DZ)

Сообщение yak-40 » 13 янв 2010, 14:37

EdGull писал(а): не так уж часто она слетает

А если слетит, что делать?
- Этот человек - не человек! это робот!
- Как? уже делают?!
- Делают!!!
Аватара пользователя
yak-40
 
Сообщения: 3037
Зарегистрирован: 23 окт 2007, 22:03
Откуда: Москва
прог. языки: С
ФИО: Евгений Яковец

Re: galex1981 - блог (модем SIM300DZ)

Сообщение MiBBiM » 13 янв 2010, 15:31

залить обратно, там вроде бутлоадер есть.
Tomorrow will be. Better
Аватара пользователя
MiBBiM
 
Сообщения: 1866
Зарегистрирован: 29 окт 2007, 18:11
Откуда: Пермь
прог. языки: Brainfuck/Basic/Delphi/C++/Lisp/x86asm/JavaScript

Re: galex1981 - блог (модем SIM300DZ)

Сообщение yak-40 » 13 янв 2010, 15:42

там вроде бутлоадер есть.
Это точно?
Ну тогда нечего бояться :D
- Этот человек - не человек! это робот!
- Как? уже делают?!
- Делают!!!
Аватара пользователя
yak-40
 
Сообщения: 3037
Зарегистрирован: 23 окт 2007, 22:03
Откуда: Москва
прог. языки: С
ФИО: Евгений Яковец

Re: galex1981 - блог (модем SIM300DZ)

Сообщение EdGull » 13 янв 2010, 16:06

это точно, мы в свои часто новые прошивки заливаем
Аватара пользователя
EdGull
 
Сообщения: 10211
Зарегистрирован: 28 дек 2004, 20:33
Откуда: Тольятти
Skype: Ed_Gull
прог. языки: Bascom AVR Basic
ФИО: Гуль Эдуард Викторович

Re: galex1981 - блог (модем SIM300DZ)

Сообщение galex1981 » 13 янв 2010, 17:35

Это для начинающих написано, чтоб осторожны были ;), продвинутые решат эту проблему
Последний раз редактировалось galex1981 15 мар 2010, 13:20, всего редактировалось 1 раз.
if(!Operate) Read(pDatasheet);
Аватара пользователя
galex1981
 
Сообщения: 4363
Зарегистрирован: 04 дек 2008, 22:44
Откуда: Камышин
Skype: galk-aleksandr1
прог. языки: Kotlin, Java, C, C++, Assm, BasCom, VB, php
ФИО: Галкин Александр Владимирович

Re: galex1981 - блог (модем SIM300DZ)

Сообщение EdGull » 13 янв 2010, 18:08

ну так ты разобрался с модемом или еще какие нибудь вопросы остались?
Аватара пользователя
EdGull
 
Сообщения: 10211
Зарегистрирован: 28 дек 2004, 20:33
Откуда: Тольятти
Skype: Ed_Gull
прог. языки: Bascom AVR Basic
ФИО: Гуль Эдуард Викторович

Re: galex1981 - блог (модем SIM300DZ)

Сообщение avr123.nm.ru » 13 янв 2010, 19:09

Каков размер модуля ? по симке видно что маленький.
Читайте !
Аватара пользователя
avr123.nm.ru
отсылающий читать курс
 
Сообщения: 14195
Зарегистрирован: 06 ноя 2005, 04:18
Откуда: Москва
Предупреждения: -8

Re: galex1981 - блог (модем SIM300DZ)

Сообщение EdGull » 13 янв 2010, 19:22

у меня под рукой сейчас его нет, так что сказать могу только когда на работу попаду и не забуду измерить
Аватара пользователя
EdGull
 
Сообщения: 10211
Зарегистрирован: 28 дек 2004, 20:33
Откуда: Тольятти
Skype: Ed_Gull
прог. языки: Bascom AVR Basic
ФИО: Гуль Эдуард Викторович

Re: galex1981 - блог (модем SIM300DZ)

Сообщение yak-40 » 13 янв 2010, 19:31

avr123.nm.ru писал(а):Каков размер модуля ? по симке видно что маленький.

72х40мм
- Этот человек - не человек! это робот!
- Как? уже делают?!
- Делают!!!
Аватара пользователя
yak-40
 
Сообщения: 3037
Зарегистрирован: 23 окт 2007, 22:03
Откуда: Москва
прог. языки: С
ФИО: Евгений Яковец

След.

Вернуться в Блоги

Кто сейчас на конференции

Сейчас этот форум просматривают: нет зарегистрированных пользователей и гости: 0

cron