avr123.nm.ru blog - вопросы и ответы

Блоги посетителей.
Правила форума
В данном разделе каждый может иметь не более одной темы. Тема должна начинаться с логина (ника) робофорума.

avr123.nm.ru blog - вопросы и ответы

Сообщение avr123.nm.ru » 06 дек 2009, 01:54

Это первый и надеюсь единственный блог avr123.nm.ru blog (новый адрес курс AVR начинающим www.proavr.narod.ru) - собственно вопросы и скорые ответы :D

Здесь ЗАПРЕЩЕНО ! Задавать вопрос: "доколе !?" :ROFL:

==========
Последний раз редактировалось avr123.nm.ru 27 апр 2014, 13:39, всего редактировалось 8 раз(а).
Аватара пользователя
avr123.nm.ru
отсылающий читать курс
 
Сообщения: 14195
Зарегистрирован: 06 ноя 2005, 04:18
Откуда: Москва

Re: avr123.nm.ru blog - вопросы и ответы

Сообщение =DeaD= » 16 май 2010, 10:22

avr123.nm.ru писал(а):Ведь после загрузки я проверяю, что показывает браузер именно релодом странички.

Т.е. сразу после загрузки такого не было, потом появилось? :shock:
Проект [[Open Robotics]] - Универсальные модули для построения роботов
Аватара пользователя
=DeaD=
 
Сообщения: 24218
Зарегистрирован: 06 окт 2004, 18:01
Откуда: Ебург
прог. языки: C++ / PHP / 1C
ФИО: Антон Ботов

Re: avr123.nm.ru blog - вопросы и ответы

Сообщение Duhas » 16 май 2010, 10:27

ну я видел у авр-а на сайте спаркфановские логотипы с теми надписями с месяц а то и больше назад ...
«Как сердцу выразить себя? … Мысль изреченная есть ложь!»
В этом мире меня подводит доброта и порядочность...
"двое смотрят в лужу, один видит лужу, другой отраженные в ней звезды"
Аватара пользователя
Duhas
 
Сообщения: 6338
Зарегистрирован: 15 сен 2007, 13:03
Откуда: Красноярск
прог. языки: ASM(МК), C(PC)
ФИО: Гагарский Андрей Александрович

Re: avr123.nm.ru blog - вопросы и ответы

Сообщение avr123.nm.ru » 16 май 2010, 11:00

Чеж не сказал ?!

Теперь я сомневаюсь. Хотя на http://avr123.nm.ru/01.htm файл тотже хотя одновременно по ФТП закидывал на основные домены после добавки гугла аналитикса. Но там все нормально - никаких добавок.
Читайте !
Аватара пользователя
avr123.nm.ru
отсылающий читать курс
 
Сообщения: 14195
Зарегистрирован: 06 ноя 2005, 04:18
Откуда: Москва

Re: avr123.nm.ru blog - вопросы и ответы

Сообщение Duhas » 16 май 2010, 13:43

да я мельком туда заскочил по чьей то ссылке что ли .. удивился наличию этой хрени слева и ушел )
«Как сердцу выразить себя? … Мысль изреченная есть ложь!»
В этом мире меня подводит доброта и порядочность...
"двое смотрят в лужу, один видит лужу, другой отраженные в ней звезды"
Аватара пользователя
Duhas
 
Сообщения: 6338
Зарегистрирован: 15 сен 2007, 13:03
Откуда: Красноярск
прог. языки: ASM(МК), C(PC)
ФИО: Гагарский Андрей Александрович

Re: avr123.nm.ru blog - вопросы и ответы

Сообщение avr123.nm.ru » 16 май 2010, 14:17

Вобщем я в сапорт яндекса написал мол чето страничка както странно отображается, помогите мол чтоб нормально было и скрин послал. Надеюсь в Пн. отпишут что там дакак. В будни они почти мгновенно отвечают.
Читайте !
Аватара пользователя
avr123.nm.ru
отсылающий читать курс
 
Сообщения: 14195
Зарегистрирован: 06 ноя 2005, 04:18
Откуда: Москва

Re: avr123.nm.ru blog - вопросы и ответы

Сообщение avr123.nm.ru » 19 май 2010, 09:02

Радио Аудио Спектакли - свободная загрузка - mp3-slovo.ru/dvd.htm - есть интересное.
Читайте !
Аватара пользователя
avr123.nm.ru
отсылающий читать курс
 
Сообщения: 14195
Зарегистрирован: 06 ноя 2005, 04:18
Откуда: Москва

Re: avr123.nm.ru blog - вопросы и ответы

Сообщение avr123.nm.ru » 20 май 2010, 09:12

Махолет - Орнитоптер - похоже любительский за "5 копеек" :good:



А вот наверно команда "профи" с финансированием и бонусами :ROFL:

Читайте !
Аватара пользователя
avr123.nm.ru
отсылающий читать курс
 
Сообщения: 14195
Зарегистрирован: 06 ноя 2005, 04:18
Откуда: Москва

Re: avr123.nm.ru blog - вопросы и ответы

Сообщение MegaBIZON » 20 май 2010, 10:32

откель такие выводы?
.............солнце светит, птички поют, я - зелёный бамбук меня тянет к солнцуЯ - зелёный бамбук, я - зелёный бамбук , меня тянет к солнцу. Я - не огурчик и не лягушка, я - зелёный бамбук. Меня курят...............
Аватара пользователя
MegaBIZON
 
Сообщения: 6285
Зарегистрирован: 12 янв 2007, 00:34
Откуда: Масква

Re: avr123.nm.ru blog - вопросы и ответы

Сообщение avr123.nm.ru » 20 май 2010, 11:18

Из видео.
Читайте !
Аватара пользователя
avr123.nm.ru
отсылающий читать курс
 
Сообщения: 14195
Зарегистрирован: 06 ноя 2005, 04:18
Откуда: Москва

Re: avr123.nm.ru blog - вопросы и ответы

Сообщение MegaBIZON » 20 май 2010, 18:09

Краткость - сестра Авээра...
Кстати вспомнился тот анекдот про Холмса и програмиста.
.............солнце светит, птички поют, я - зелёный бамбук меня тянет к солнцуЯ - зелёный бамбук, я - зелёный бамбук , меня тянет к солнцу. Я - не огурчик и не лягушка, я - зелёный бамбук. Меня курят...............
Аватара пользователя
MegaBIZON
 
Сообщения: 6285
Зарегистрирован: 12 янв 2007, 00:34
Откуда: Масква

Re: avr123.nm.ru blog - вопросы и ответы

Сообщение avr123.nm.ru » 26 май 2010, 11:10

опровергаю :D

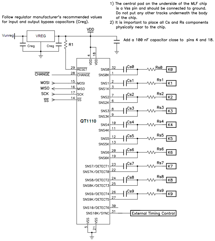
AT42QT1110 - сенсорный контроллер на 11 "кнопок" в автомобильном исполнении

Компания Atmel представила контроллер сенсорных емкостных кнопок, отвечающий требованиям автомобильных применений.

Контроллер AT42QT1110 выполнен по запатентованной технологии QTouch, позволяющей создавать сенсорные кнопки и манипуляторы, и представляет собой полнофункциональный контроллер 11 сенсорных кнопок емкостного типа, который отвечает всем требованиям автомобильной промышленности. Он идеален для работы в такой автомобильной электронной технике как системы глобального спутникового позиционирования (GPS), устройства управления электроприводами стеклоподъемников и зеркал, системы бесключевого управления доступом и др.

"Поскольку автомобильная промышленность нуждается в расширении количества сенсорных интерфейсов, становится более актуальным появление контроллеров, которые соответствуют требованиям автомобильного рынка", - заявил директор по сенсорной продукции компании Atmel Джон Киякьян (Jon Kiachian). - "Представив контроллер емкостных сенсорных кнопок, который сертифицирован на соответствие требованиям автомобильных стандартов, компания Atmel удовлетворила данную потребность. Сертифицированные контроллеры Atmel отвечают условиям применения в сенсорных интерфейсах разнообразной автомобильной электроники, в т.ч. систем бесключевого предоставления доступа и системы GPS-навигации.

Создание такой продукции стало возможным, благодаря её разработке на предприятии, полностью отвечающем стандартам ISO-TS-16949 и QS-9000. Микропрограммное обеспечение написано в соответствии с требованиями ассоциации моторостроения к надежности ПО на языке Си (стандарт MISRA C) и испытано в соответствии со стандартом AEC-Q100. По запросу также может быть предоставлена разрешительная документация на продукцию (документ PPAP).

Образцы контроллера AT42QT1110 доступны в настоящее время. AT42QT1110 также доступен в неавтомобильном исполнении для использования в промышленной и бытовой технике. Этот контроллер обладает идентичным набором возможностей, кроме соответствия стандарту AEC-Q100. Благодаря возможности самодиагностики, AT42QT1110 облегчит разработку систем, совместимых со стандартом EN60730. Этот европейский стандарт излагает требования к безопасности автоматических электрических управляющих устройств бытового и аналогичного назначения. В РФ действует аутентичная версия этого стандарта - ГОСТ Р МЭК 60730-1-2002.

-
Вложения
AT42QT1110.pdf
(635.08 КиБ) Скачиваний: 0
AT42QT1110 схема подключения.png
AT42QT1110.jpg
Читайте !
Аватара пользователя
avr123.nm.ru
отсылающий читать курс
 
Сообщения: 14195
Зарегистрирован: 06 ноя 2005, 04:18
Откуда: Москва

Re: avr123.nm.ru blog - вопросы и ответы

Сообщение Duhas » 26 май 2010, 11:24

Копипаст рассылки из Терры ?
«Как сердцу выразить себя? … Мысль изреченная есть ложь!»
В этом мире меня подводит доброта и порядочность...
"двое смотрят в лужу, один видит лужу, другой отраженные в ней звезды"
Аватара пользователя
Duhas
 
Сообщения: 6338
Зарегистрирован: 15 сен 2007, 13:03
Откуда: Красноярск
прог. языки: ASM(МК), C(PC)
ФИО: Гагарский Андрей Александрович

Re: avr123.nm.ru blog - вопросы и ответы

Сообщение Michael_K » 26 май 2010, 11:35

"AT42QT1110 - сенсорный контроллер"...

По-моему, такую штуку можно на любом микроконтроллере не особенно напрягаясь сделать...
Вот со слайдерами только повозиться придется с софтом.
(ну и стандарты, понятно, лесом пойдут)...
Аватара пользователя
Michael_K
 
Сообщения: 6028
Зарегистрирован: 07 окт 2009, 00:29
Откуда: СПб

Re: avr123.nm.ru blog - вопросы и ответы

Сообщение avr123.nm.ru » 26 май 2010, 11:39

Duhas писал(а):Копипаст рассылки из Терры ?


Не ... сам СОЧИНИЛ :Bravo: Навеяло ...

Терра спастила у рэйнбоу технолоджи.
Читайте !
Аватара пользователя
avr123.nm.ru
отсылающий читать курс
 
Сообщения: 14195
Зарегистрирован: 06 ноя 2005, 04:18
Откуда: Москва

Re: avr123.nm.ru blog - вопросы и ответы

Сообщение Michael_K » 26 май 2010, 11:41

Птичка клевая, но совсем не уверен, что она "за пять копеек"...
Хотя махолеты сейчас в игрушечных магазинчиках, действительно, за копейки лежат.
Аватара пользователя
Michael_K
 
Сообщения: 6028
Зарегистрирован: 07 окт 2009, 00:29
Откуда: СПб

Пред.След.

Вернуться в Блоги

Кто сейчас на конференции

Сейчас этот форум просматривают: нет зарегистрированных пользователей и гости: 0

cron